1. Vespa Forum
    1. Unerledigte Themen
  2. Dashboard
  3. Galerie
    1. Alben
    2. Karte
  4. Lexikon
  • Anmelden oder registrieren
  • Suche
Dieses Thema
  • Alles
  • Dieses Thema
  • Dieses Forum
  • Forum
  • Galerie
  • Lexikon
  • Seiten
  • Erweiterte Suche
  1. VespaOnline Forum: Entdecke die Welt der klassischen Vespa-Roller und teile deine Leidenschaft
  2. Vespa Smallframe / Largeframe / Wideframe Roller
  3. Vespa Elektrik

PK 50 XL - Blinkerschlater schaltet die falsche Seite

  • randomresult
  • July 3, 2011 at 10:20
  • randomresult
    Anfänger
    Punkte
    115
    Beiträge
    21
    Wohnort
    Bammental
    Vespa Typ
    PK50XL 1985
    • July 3, 2011 at 10:20
    • #1

    Hallo,

    Ich habe meine PK50xl komplett zerlegt gehabt und nun wieder zusammengebaut.
    Den Kabelbaum habe ich auch draussen gehabt und wieder reingezogen. Logischer Weise.
    Nun ist es so, dass meine Blinker zwar tun, aber die falsche Seite blinkt!?
    Ich verstehe das nicht so ganz weil sowohl

    1. der Schalter am Lenker nur so eingebaut werden kann wie er eben eingebaut ist.
    2. Die Kabel vorne an der Lenksäule ja nur so gesteckt werden können wie man sie eben stecken kann
    3. Auch die kabel die (zumindest vorne) die zu den Blinkern gehen ja eindeutig durch die 2 Hupenkabel auf ihre Seite festgelegt sind. (Blinkerkabel mit 4 Kabeln (2 für Hupe 2 für Blinker) müssen ja in Fahrtrichtung links sein (auf der anderen Seite ist das Schloß)

    Wie gesagt, will ich links blinken muss ich den Blinker auf rechts stellen.
    Ich sollte vielleicht noch erwähnen, dass die Kontrollleuchte im Tacho nicht funzt... was aber auch einfach an der Birne liegen kann... das überprüfe ich gleich.

    Wo kann ich suchen, was kann cih tun?
    cheers

  • kasonova
    Foren-Inventar
    Reaktionen
    43
    Punkte
    31,593
    Trophäen
    2
    Beiträge
    6,227
    Bilder
    10
    Einträge
    3
    Wohnort
    Solingen
    Vespa Typ
    Vespa ET2, V50 Spezial, PK 50 XL2
    • July 3, 2011 at 10:25
    • #2

    Wenn das so ist wie Du sagst, sind die Kabel am schalter falsch angelötet.

  • randomresult
    Anfänger
    Punkte
    115
    Beiträge
    21
    Wohnort
    Bammental
    Vespa Typ
    PK50XL 1985
    • July 3, 2011 at 10:36
    • #3

    hmm...
    wie kann ich das prüfen?
    Also ich hatte verschiedene fehler im System (Falsch Birne, verrostete anschlüsse an den Birnen etc.) - ich kann also nicht genau sagen ob es vor dem "restaurieren" gefunzt hat... aber ich glaube es tat richtig... und ich hab ja nix gelötet. Also die Seite des Blinkers war richtig (auch wenn z.B. die hinteren überhaupt nicht gefunzt hatten...)

    Löten ist ja auch kein problem... nur wenn ich irgendwo kabel tauschen muss um es richtig zu machen, wäre da halt eigentlich die richtige Lösung.

    Aber um ehrlich zu sein... ich denke mal die Kabel sind alle richtig... viel kann man da ja nicht verkehrt machen :)
    Cheers.

  • kasonova
    Foren-Inventar
    Reaktionen
    43
    Punkte
    31,593
    Trophäen
    2
    Beiträge
    6,227
    Bilder
    10
    Einträge
    3
    Wohnort
    Solingen
    Vespa Typ
    Vespa ET2, V50 Spezial, PK 50 XL2
    • July 3, 2011 at 12:08
    • #4

    Ja gut, wenn nicht gelötet, der Schalter richtig herum eingebaut, und die Steckverbindungen unter der Kaskade richtig (rosa auf rosa und braun auf braun, dann MUSS er richtig blinken.

  • chup4
    VO-Inventar
    Reaktionen
    1,018
    Punkte
    60,223
    Beiträge
    11,661
    Bilder
    28
    Einträge
    1
    • July 3, 2011 at 20:10
    • #5

    tausch doch einfach die kabel hinten, dann blinkt er vorne rechts und hinten links. das wär doch viel witziger ;)

    Aufbau eines Rennrollers für die European Scooter Challenge

    ESC seit 2013 K5


    BaB-Race-Meister 2015+2016

    K5 Pechvogel

    http://www.eurochallenge.de

  • randomresult
    Anfänger
    Punkte
    115
    Beiträge
    21
    Wohnort
    Bammental
    Vespa Typ
    PK50XL 1985
    • July 4, 2011 at 12:23
    • #6

    Sind soweit richtig (so wie ich es beurteilen kann) - Zumindest die unter der Kaskade.
    Vielleicht kann mir jmd ein Bild seiner Verkablung schicken?
    Oder mir sagen, wie ich das ganze umlöten muss. Also welche Kabel ich tauschen muss.
    Mir wäre es ja egal, aber wegen neuer Papiere muss ich zum Tüv - und da sollte es ja funzen.

    Zum Thema Tüv - ich brauche noch "Vergleichspapiere" einer PK50xl (Baujahr 1985). Ich habe nur eine Kopie der Papiere aus Italien... aber ob die für den TÜV reichen ist die Frage.
    Ich will halt, das der Prüfer so wenig Arbeit hat wie möglich... ergo will ich alles Parat haben was er so braucht. Ist aber off Topic... werds noch woanders posten.

    Danke für die Hilfe.

  • kasonova
    Foren-Inventar
    Reaktionen
    43
    Punkte
    31,593
    Trophäen
    2
    Beiträge
    6,227
    Bilder
    10
    Einträge
    3
    Wohnort
    Solingen
    Vespa Typ
    Vespa ET2, V50 Spezial, PK 50 XL2
    • July 4, 2011 at 13:07
    • #7

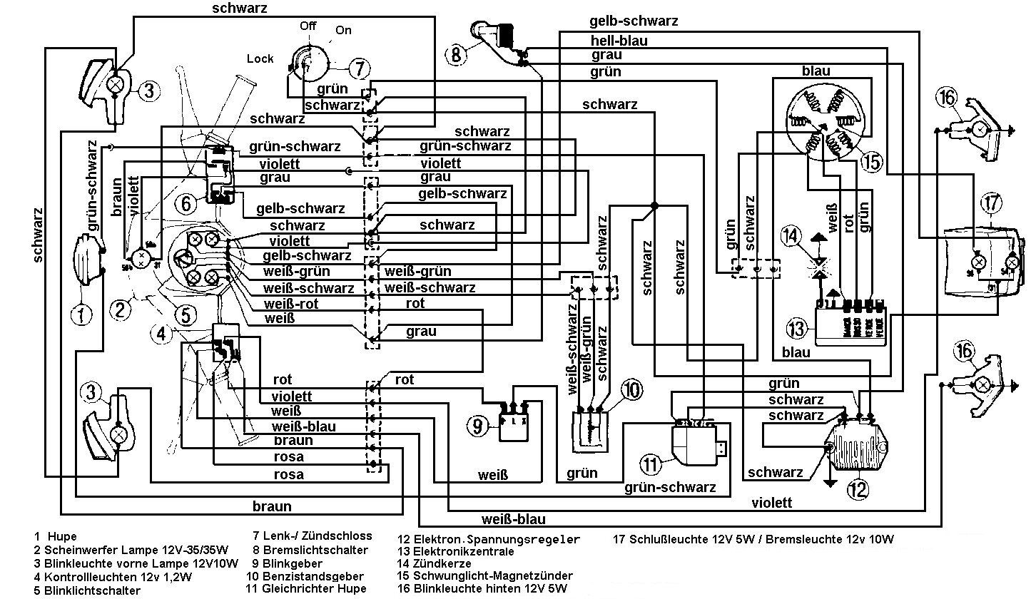
    Wetten das nicht? Nimm den Schalter mal aus dem Lenker raus und Vergleich mit dem Schaltplan. Der Lenker ist dünn eingezeichnet, unter der Armatur ist der Blinkerschalter. Blinker nach links, sollte die rosa Leitung unter Strom stehen, natürlich nur im Rhytmus der Blinkintervalle. Diese Leitung geht zum Klemmbrett unter der Kaskade, da muss die rosa Leitung mit einer weiteren rosa Leitung verbunden sein. Die geht dann zum linken Blinker. Das nach zu verfolgen kann doch nicht so schwer sein. Ich häng Dir auch noch ein Bild des vorderen Klemmbrettes an, nur darauf wirst Du wohl nix erkennen.

    Bilder

    • Schaltplan.jpg
      • 232.34 kB
      • 1,452 × 840
      • 258
    • c3.jpg
      • 65.02 kB
      • 625 × 1,200
      • 275
    • c6.jpg
      • 48.62 kB
      • 772 × 1,006
      • 259
  • pkracer
    Meistermisanthrop
    Reaktionen
    76
    Punkte
    50,491
    Trophäen
    2
    Beiträge
    10,078
    Vespa Typ
    Baotian BT50QT-11 RETRO BIKE...Das Fahrzeug zeichnet sich durch den geringen Verbrauch, Laufruhe und Umweltfreundlichkeit aus.
    • July 4, 2011 at 13:57
    • #8

    Könnte es nicht einfach sein, dass die Blinkerkabel, die unter dem Gepäckfach aus dem Tunnel kommen, dort beim Wiedereinziehen des Kabelbaums an der jeweils falschen Seite rausgelegt wurden? Also der eigentlich nach rechts gehörende Strang links raus und umgekehrt.

    Die Stecker am Klemmbrett passen aufgrund ihrer jeweils speziellen Form nur am vorgesehenen Platz. Und dass sich die angelöteten Kabel am Schalter von selbst über Nacht einen neuen Platz suchen, halte ich auch für reichlich unwahrscheinlich.

    Deine Mudda erkennt Geschlechtskrankheiten am Geschmack.

  • kasonova
    Foren-Inventar
    Reaktionen
    43
    Punkte
    31,593
    Trophäen
    2
    Beiträge
    6,227
    Bilder
    10
    Einträge
    3
    Wohnort
    Solingen
    Vespa Typ
    Vespa ET2, V50 Spezial, PK 50 XL2
    • July 4, 2011 at 14:08
    • #9

    pkracer
    Stimmt, aber er reden von vorne und hinten. Aber weis der Himmel was da wer falsch gemacht hat. Da gibt es eigentlich nur die Möglichkeiten, 1. Klemmbrett aber wie Du sagst past nicht anders (oder nur mit Gewalt oder gefrickel, dann noch der Schalter, falsch herum eingebaut? das ist ne XL1 und ich weiß nicht ob man den falsch einbauen kann ?( Oder falscher Schalter ?( oder mal nachgelötet ?(


    SCHICK mal ein Bild von dem Geraffel :+2

  • randomresult
    Anfänger
    Punkte
    115
    Beiträge
    21
    Wohnort
    Bammental
    Vespa Typ
    PK50XL 1985
    • July 4, 2011 at 14:30
    • #10

    vermute ich, dass da mal was nachgelötet wurde.
    Weil die Stecker vorne am Klemmbrett haben ja die kleine "Nase" bzw. Führung und die klicken easy ein... also nix Gewalt. Die Kabel die zu den vorderen Blinkern gehen sind ja durch die Hupenkabel auch definiert --> müssen also auch richtig sein. Die Blinker hinten schalten gleich ... also auch die haben falsche seiten (ergo sind auch diese richtig) - ich dachte halt in meinem Jugendlichen leichtsinn, dass man vielleicht irgendwelche Stecker (am Relais oder am Gleichrichter) umdrehen kann bzw. falsch anschließen kann. Aber ein offenes Relais gibt ja die Kabel im Relais frei und auch die Farben im Relais (grün - rot - weiss) entsprechen meinen Steckern die aussen dran kommen. Die Hupe tut auch (zumindest gibt sie ein ziemlich schepperndes Geräusch von sich - das kann man nicht in Worte fassen)
    Also vermute ich weil die Blinker blinken und die Hupe hupt dass sowohl Gleichrichter als auch Relais ok sind. Lichter tun auch alle und bis auf eine Birne im Tacho (Fernlicht - blau) tut auch alles... Anspringen tut sie auch ohne Probleme... Was bleibt da noch übrig...

    Wenn ich heute nach Hause gekommen bin schraub ich das Gelerch mal runter und schicke Fotos.
    Hoffenlich hilft es etwas!
    Danke für die Hilfe.

  • randomresult
    Anfänger
    Punkte
    115
    Beiträge
    21
    Wohnort
    Bammental
    Vespa Typ
    PK50XL 1985
    • July 4, 2011 at 14:32
    • #11

    Kann meines erachtens auch nur richtig eingebaut sein weil. Der Schalter zum bedienen der Blinker sitzt nicht mittig und wenn ich ihn umdrehen würde, wäre er zu weit weg um Ihn vernünftig mit dem Daumen bedienen zu können... Ausserdem sitzt das Schraubenloch nicht mittig (was ich nicht genau weiss aber vermute....) überprüfe ich aber auch nochmal.
    Am Ende ist umlöten das einfachste. Ich checks aus. Danke anyway! Bilder folgen.

  • kasonova
    Foren-Inventar
    Reaktionen
    43
    Punkte
    31,593
    Trophäen
    2
    Beiträge
    6,227
    Bilder
    10
    Einträge
    3
    Wohnort
    Solingen
    Vespa Typ
    Vespa ET2, V50 Spezial, PK 50 XL2
    • July 4, 2011 at 14:34
    • #12

    die Kabel am Schaaalterrrr :+2 Ich hab hier kein Bild von der Rückseite aber da gibt es nur drei Kabel für den Blinker, rot kommt vom Relais ist richtig, braun und rosa vertauschen.

  • randomresult
    Anfänger
    Punkte
    115
    Beiträge
    21
    Wohnort
    Bammental
    Vespa Typ
    PK50XL 1985
    • July 4, 2011 at 14:40
    • #13

    ich will ja nicht beschwören... aber ich glaub ich hab da 6 Kabel gesehen... aber wie gesagt... ich fische hier im trüben... ich mach Fotos und stell diese hier ein.
    Danke.

  • kasonova
    Foren-Inventar
    Reaktionen
    43
    Punkte
    31,593
    Trophäen
    2
    Beiträge
    6,227
    Bilder
    10
    Einträge
    3
    Wohnort
    Solingen
    Vespa Typ
    Vespa ET2, V50 Spezial, PK 50 XL2
    • July 4, 2011 at 14:48
    • #14

    Ja klar die Kabel für die hinteren Blinker sind ja auch da angelötet, weiß-blau gehört zu rosa und violett zu braun. Wie gesagt, ich habe kein Bild nur den Schaltplan.

  • kasonova
    Foren-Inventar
    Reaktionen
    43
    Punkte
    31,593
    Trophäen
    2
    Beiträge
    6,227
    Bilder
    10
    Einträge
    3
    Wohnort
    Solingen
    Vespa Typ
    Vespa ET2, V50 Spezial, PK 50 XL2
    • July 4, 2011 at 15:02
    • #15

    So ich hab noch mal im Netz gegraben, und eigenartiger weise, die alte Frau google weiß es. Hier das geklaute Bild mit den Anschlüssen.
    1= Braun / 2= Rosa / 3= Rot / 4= Weiß / 5= Violett / 6=Weiß-Blau

    Ein Hoch auf Matze

    Bilder

    • Schalter.jpg
      • 134.33 kB
      • 1,146 × 814
      • 234
  • randomresult
    Anfänger
    Punkte
    115
    Beiträge
    21
    Wohnort
    Bammental
    Vespa Typ
    PK50XL 1985
    • July 4, 2011 at 15:04
    • #16

    Danke! werds gleich checken wenn ich heimgedüst bin...

  • randomresult
    Anfänger
    Punkte
    115
    Beiträge
    21
    Wohnort
    Bammental
    Vespa Typ
    PK50XL 1985
    • July 5, 2011 at 08:45
    • #17

    bzw. das Innenleben:

    [Blockierte Grafik: http://twitpic.com/show/thumb/5lh1bs.jpg] 
    habe das Bild klein gemacht... wenns nicht aussreicht, kann ich ein größeres bereitstellen.

    Edit: hier noch mal ein Link zum OrginalBild

    Einmal editiert, zuletzt von randomresult (July 5, 2011 at 09:01)

  • kasonova
    Foren-Inventar
    Reaktionen
    43
    Punkte
    31,593
    Trophäen
    2
    Beiträge
    6,227
    Bilder
    10
    Einträge
    3
    Wohnort
    Solingen
    Vespa Typ
    Vespa ET2, V50 Spezial, PK 50 XL2
    • July 5, 2011 at 10:16
    • #18

    Hast Du schon umgelötet?

  • randomresult
    Anfänger
    Punkte
    115
    Beiträge
    21
    Wohnort
    Bammental
    Vespa Typ
    PK50XL 1985
    • July 5, 2011 at 10:26
    • #19

    nein... so ist er da drinnen
    also ich hab gestern nur aufgeschraubt und foto gemacht.

  • randomresult
    Anfänger
    Punkte
    115
    Beiträge
    21
    Wohnort
    Bammental
    Vespa Typ
    PK50XL 1985
    • July 5, 2011 at 12:35
    • #20

    wenn ich das richtig sehe, muss ich braun und rosa einfach tauschen oder?
    Oder sehe ich das falsch? Ich stelle mir das ziemlich einfach vor... oder täusche ich mich?
    Cheers.

Tags

  • Vespa PK 50
  • Vespa Blinker
  1. Datenschutzerklärung
  2. Impressum
  3. Kontakt
  4. Geschichte der Vespa bei Wikipedia
  5. Nutzungsbedingungen
Made with ♥ in Bavaria
Community-Software: WoltLab Suite™