1. Vespa Forum
    1. Unerledigte Themen
  2. Dashboard
  3. Galerie
    1. Alben
    2. Karte
  4. Lexikon
  • Anmelden
  • Registrieren
  • Suche
Dieses Thema
  • Alles
  • Dieses Thema
  • Dieses Forum
  • Forum
  • Galerie
  • Lexikon
  • Seiten
  • Erweiterte Suche
  1. VespaOnline Forum: Entdecke die Welt der klassischen Vespa-Roller und teile deine Leidenschaft
  2. Vespa Smallframe / Largeframe / Wideframe Roller
  3. Vespa Elektrik

PK50XL2 Blinker bei abgestelltem Motor

  • werdair
  • October 7, 2011 at 13:56
  • werdair
    Schüler
    Punkte
    390
    Beiträge
    61
    Wohnort
    Bremen
    Vespa Typ
    PK50XL2 4-Gang
    • October 7, 2011 at 13:56
    • #1

    Moin
    Hab eine PK50xl2 mit E-Starter.

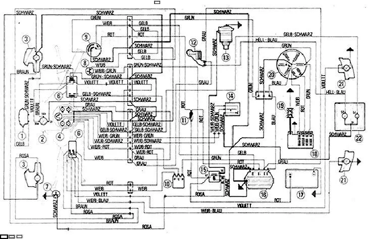
    Warum geht der Blinker bei abgestelltem Motor nicht. Laut [lexicon='Schaltplan',''][/lexicon] müsste es eigentlich "blinken", weil das Relais über den eingeschalteten Zündschlüssel mit der Batterie verbunden ist.
    Hab ich einen falschen [lexicon='Schaltplan',''][/lexicon] oder ist es bei Euch auch so.


    DANKE

    Bilder

    • Schaltplan_PK50xl2.JPG
      • 189.16 kB
      • 1,420 × 845
  • kasonova
    Foren-Inventar
    Reaktionen
    43
    Punkte
    31,593
    Trophäen
    2
    Beiträge
    6,227
    Bilder
    10
    Einträge
    3
    Wohnort
    Solingen
    Vespa Typ
    Vespa ET2, V50 Spezial, PK 50 XL2
    • October 7, 2011 at 15:39
    • #2

    Hi, das kannst Du selber feststellen, Blinkrelais 3-polig oder 4-polig? Es gibt zwei Versionen von Vespen, mit Wechselstromblinker oder Gleichstromblinker. Du hast ein Wechselstromblinker und der Strom kommt vom Spannungsregeler (grün).

    Bilder

    • Schaltplan-Batterie.jpg
      • 290.93 kB
      • 1,818 × 1,200
  • werdair
    Schüler
    Punkte
    390
    Beiträge
    61
    Wohnort
    Bremen
    Vespa Typ
    PK50XL2 4-Gang
    • October 7, 2011 at 15:59
    • #3

    Das Blinkrelais ist ein grünes, dreipoliges.

  • kasonova
    Foren-Inventar
    Reaktionen
    43
    Punkte
    31,593
    Trophäen
    2
    Beiträge
    6,227
    Bilder
    10
    Einträge
    3
    Wohnort
    Solingen
    Vespa Typ
    Vespa ET2, V50 Spezial, PK 50 XL2
    • October 7, 2011 at 16:21
    • #4

    Jau sag ich doch, Wechselstromrelais, Blinker nur bei laufendem Motor. :+2

  • werdair
    Schüler
    Punkte
    390
    Beiträge
    61
    Wohnort
    Bremen
    Vespa Typ
    PK50XL2 4-Gang
    • October 7, 2011 at 16:34
    • #5

    !!! DANKE !!!
    DIR

  • werdair
    Schüler
    Punkte
    390
    Beiträge
    61
    Wohnort
    Bremen
    Vespa Typ
    PK50XL2 4-Gang
    • October 10, 2011 at 11:27
    • #6

    Wieso Wechselspannungs Relais wenn es doch an der Gleichspannung liegt.
    Wie funktioniert das.


    LG Peter ?(

    2 Mal editiert, zuletzt von werdair (October 10, 2011 at 12:13)

  • kasonova
    Foren-Inventar
    Reaktionen
    43
    Punkte
    31,593
    Trophäen
    2
    Beiträge
    6,227
    Bilder
    10
    Einträge
    3
    Wohnort
    Solingen
    Vespa Typ
    Vespa ET2, V50 Spezial, PK 50 XL2
    • October 10, 2011 at 13:00
    • #7

    das ist doch gar nicht so schwer, aus dem Generator kommt Wechselstrom, der wird über zwei Leitungen zum Spannungsregeler geschickt und geht da über G G rein. Der regelt die Spannung auf ca. 12 Volt und gibt diese wieder an dem Punkt C raus (blaue Leitungen), zusätzlich wird auch noch ein Teil des Stromes gleich gerichtet (auch auf 12 Volt) und der wird an die Batterie und den Anlasserschalter (rote Leitung) geschickt. Das Teil 16 Spannungsregeler begrenzt hauptsächlich die vom Generator gelieferte Wechselspannung, denn diese steigt mit zunehmender Drehzahl bis über 30 Volt. Es wird also nicht der gesamte Strom gleich gerichtet, sondern nur der zum Laden der Batterie benötigte Teilstrom.

    Bilder

    • Schaltplan_PK50xl2.JPG
      • 196.35 kB
      • 1,420 × 845
  • werdair
    Schüler
    Punkte
    390
    Beiträge
    61
    Wohnort
    Bremen
    Vespa Typ
    PK50XL2 4-Gang
    • October 10, 2011 at 15:42
    • #8

    Danke für die Antwort....

    ...aber warum biegt die blaue Leitung denn (siehe roten Kreis) ab. Geht die Leitung nicht nach oben weiter?.

    Hab mal den Weg den ich meine grün eingezeichnet.


    LG Peter

  • chup4
    VO-Inventar
    Reaktionen
    1,018
    Punkte
    60,223
    Beiträge
    11,661
    Bilder
    28
    Einträge
    1
    • October 10, 2011 at 15:52
    • #9

    haaaaaaaaaaaaaaalt..


    es gibt 2 verschiedene potentielle schaltpläne für eine pk mit elestart und batterie.

    einmal ist die zündgrundplatte mit 3 und 3 kabeln verbaut, wie auch bei den normalen kickstartermodellen, dann ist der G G C B+ Masse Regler verbaut, oder
    es ist eine Zündgrundplatte mit 3 udn 5 Kabeln verbaut, dann ist ein A A G B+ Masse Regler verbaut.

    zweiteres hat eine gleichstrom tankanzeige und ein gleichstromblinkerrelais, der obere fall hat das grüne blinkerrelais. Der mit dem Grünen Blinkerrelais hat nur einen gesamten Stromkreis für alles. Der Kabelbaum mit dem A A G B+ MAsse regler hat 3 voneinander getrennte stromkreise ähnlich der px alt. U.A. ist ein Stromkreis (auf G in den regler wandernd) ausschließlich zum laden der batterie.

    also: ihr müsst von 2 verschiedenen schaltplänen reden!!!

    Aufbau eines Rennrollers für die European Scooter Challenge

    ESC seit 2013 K5


    BaB-Race-Meister 2015+2016

    K5 Pechvogel

    http://www.eurochallenge.de

  • kasonova
    Foren-Inventar
    Reaktionen
    43
    Punkte
    31,593
    Trophäen
    2
    Beiträge
    6,227
    Bilder
    10
    Einträge
    3
    Wohnort
    Solingen
    Vespa Typ
    Vespa ET2, V50 Spezial, PK 50 XL2
    • October 10, 2011 at 16:02
    • #10

    chup4, er hat doch nur gefragt, warum am Blinkrelais kein Gleichstrom anliegt. Du hast natürlich Recht, aber das ist doch noch ne nummer zu höch für den Fragenden, der hat doch schon Probleme mit den zwei Plänen. :+2

  • werdair
    Schüler
    Punkte
    390
    Beiträge
    61
    Wohnort
    Bremen
    Vespa Typ
    PK50XL2 4-Gang
    • October 10, 2011 at 16:22
    • #11

    Moment, ich versteht zwar nicht alles, trotzdem ist mir nicht klar warum die Leitung aus dem Regler, Anschluß C als Leitung W rauskommt und dann den Knick machen soll und zur Leitung WS wird?

  • rassmo
    Foren-Himbeertoni
    Reaktionen
    2,607
    Punkte
    62,147
    Trophäen
    3
    Beiträge
    11,832
    Einträge
    10
    • October 10, 2011 at 16:28
    • #12
    Zitat von werdair

    trotzdem ist mir nicht klar warum die Leitung aus dem Regler, Anschluß C als Leitung W rauskommt und dann den Knick machen soll und zur Leitung WS wird?

    Weil du unsauber gezeichnet hast und es deshalb so aussieht als ob deine grüne Linie auch die Leitung WS umfaßt. Wenn du den Orginalplan anschaust wirst du sehen das die Leitung W von oben kommt und nach links geht während WS von rechts kommt und nach unten läuft.

    Jeder will alt werden, aber keiner will alt sein.

  • chup4
    VO-Inventar
    Reaktionen
    1,018
    Punkte
    60,223
    Beiträge
    11,661
    Bilder
    28
    Einträge
    1
    • October 10, 2011 at 16:28
    • #13

    zwischen c und b+ liegt ein kontakt im zündschloss, der die beiden kontakte in der schlüsselposition "on" kurzschließt, um den regler "ladebereit" zu schalten, damit die batterie in der position "off" nicht leergenudelt wird.

    Aufbau eines Rennrollers für die European Scooter Challenge

    ESC seit 2013 K5


    BaB-Race-Meister 2015+2016

    K5 Pechvogel

    http://www.eurochallenge.de

  • werdair
    Schüler
    Punkte
    390
    Beiträge
    61
    Wohnort
    Bremen
    Vespa Typ
    PK50XL2 4-Gang
    • October 10, 2011 at 16:41
    • #14

    mmh, auf meinem Plan läuft die GS Leitung horizontal (siehe die zwei Bezeichnungen links und rechts in der Leitung)

    und die W Leitung senkrecht.



    ...tschuldigung, ich möchte es nur verstehen.

  • chup4
    VO-Inventar
    Reaktionen
    1,018
    Punkte
    60,223
    Beiträge
    11,661
    Bilder
    28
    Einträge
    1
    • October 10, 2011 at 21:54
    • #15

    ein letztes mal: dein [lexicon='schaltplan',''][/lexicon] ist für deinen roller falsch. checks halt endlich.

    Aufbau eines Rennrollers für die European Scooter Challenge

    ESC seit 2013 K5


    BaB-Race-Meister 2015+2016

    K5 Pechvogel

    http://www.eurochallenge.de

  • werdair
    Schüler
    Punkte
    390
    Beiträge
    61
    Wohnort
    Bremen
    Vespa Typ
    PK50XL2 4-Gang
    • October 11, 2011 at 11:32
    • #16
    Zitat von chup4

    ein letztes mal: dein [lexicon='schaltplan',''][/lexicon] ist für deinen roller falsch. checks halt endlich.


    ....danke, aber das ist doch mal eine Aussage, daß der Plan falsch ist .
    War mir nicht klar.
    Der von kasonova ist doch aber auch nicht richtig, da ich ein grünes Blinkrelais mit drei Anschlüssen habe.
    Mein Roller ist eine V5X3T Baujahr 1991

    Hat jemand den richtigen [lexicon='Schaltplan',''][/lexicon].


    Danke
    Peter

  • chup4
    VO-Inventar
    Reaktionen
    1,018
    Punkte
    60,223
    Beiträge
    11,661
    Bilder
    28
    Einträge
    1
    • October 11, 2011 at 19:06
    • #17

    im prinzip ist es derhier
    allerdings find ich gerade nicht den für elestart mit batterie und der "normalen" elektrik.

    edith sagt:

    hier isser

    [Blockierte Grafik: http://www.vespaservizio.de/bedienung.pkxl/bedienung.pkxl.25gross.jpg]

    Aufbau eines Rennrollers für die European Scooter Challenge

    ESC seit 2013 K5


    BaB-Race-Meister 2015+2016

    K5 Pechvogel

    http://www.eurochallenge.de

  • werdair
    Schüler
    Punkte
    390
    Beiträge
    61
    Wohnort
    Bremen
    Vespa Typ
    PK50XL2 4-Gang
    • October 12, 2011 at 09:59
    • #18

    Moin

    Ich glaub ich hab den richtiigen Plan gefunden.


    Danke für die Hilfe
    Peter

  • chup4
    VO-Inventar
    Reaktionen
    1,018
    Punkte
    60,223
    Beiträge
    11,661
    Bilder
    28
    Einträge
    1
    • October 12, 2011 at 16:16
    • #19

    jede zelle meines körper ist glücklich :-1

    jede körperzelle fühlt sich wohl :-1

    jede zelle an jeder stelle :-1

    jede zelle ist voll gut drauf :-1


    nebenbei: ich :-1 bin :-1 ein :-1 gänseblümchen :-1 im :-1 sonnenschein :-1 und :-1 durch :-1 meine :-1 blüte :-1 fließt :-1 die :-1 sonne :-1 in :-1 mich :-1 rein...

    Externer Inhalt www.youtube.com
    Inhalte von externen Seiten werden ohne Ihre Zustimmung nicht automatisch geladen und angezeigt.
    Durch die Aktivierung der externen Inhalte erklären Sie sich damit einverstanden, dass personenbezogene Daten an Drittplattformen übermittelt werden. Mehr Informationen dazu haben wir in unserer Datenschutzerklärung zur Verfügung gestellt.

    Aufbau eines Rennrollers für die European Scooter Challenge

    ESC seit 2013 K5


    BaB-Race-Meister 2015+2016

    K5 Pechvogel

    http://www.eurochallenge.de

  • werdair
    Schüler
    Punkte
    390
    Beiträge
    61
    Wohnort
    Bremen
    Vespa Typ
    PK50XL2 4-Gang
    • October 14, 2011 at 09:03
    • #20
    Zitat von chup4

    jede zelle meines körper ist glücklich :-1

    jede körperzelle fühlt sich wohl :-1

    jede zelle an jeder stelle :-1

    jede zelle ist voll gut drauf :-1


    nebenbei: ich :-1 bin :-1 ein :-1 gänseblümchen :-1 im :-1 sonnenschein :-1 und :-1 durch :-1 meine :-1 blüte :-1 fließt :-1 die :-1 sonne :-1 in :-1 mich :-1 rein...

    Externer Inhalt www.youtube.com
    Inhalte von externen Seiten werden ohne Ihre Zustimmung nicht automatisch geladen und angezeigt.
    Durch die Aktivierung der externen Inhalte erklären Sie sich damit einverstanden, dass personenbezogene Daten an Drittplattformen übermittelt werden. Mehr Informationen dazu haben wir in unserer Datenschutzerklärung zur Verfügung gestellt.

    Alles anzeigen
    Zitat von chup4

    jede zelle meines körper ist glücklich :-1

    jede körperzelle fühlt sich wohl :-1

    jede zelle an jeder stelle :-1

    jede zelle ist voll gut drauf :-1


    nebenbei: ich :-1 bin :-1 ein :-1 gänseblümchen :-1 im :-1 sonnenschein :-1 und :-1 durch :-1 meine :-1 blüte :-1 fließt :-1 die :-1 sonne :-1 in :-1 mich :-1 rein...

    Externer Inhalt www.youtube.com
    Inhalte von externen Seiten werden ohne Ihre Zustimmung nicht automatisch geladen und angezeigt.
    Durch die Aktivierung der externen Inhalte erklären Sie sich damit einverstanden, dass personenbezogene Daten an Drittplattformen übermittelt werden. Mehr Informationen dazu haben wir in unserer Datenschutzerklärung zur Verfügung gestellt.

    Alles anzeigen


    ääääääääääääääh????????????

Tags

  • Vespa PK 50 XL2
  • Vespa PK 50
  • Vespa Motor
  • Vespa Blinker
  1. Datenschutzerklärung
  2. Impressum
  3. Kontakt
  4. Geschichte der Vespa bei Wikipedia
  5. Nutzungsbedingungen
Made with ♥ in Bavaria
Community-Software: WoltLab Suite™