Moin Moin,
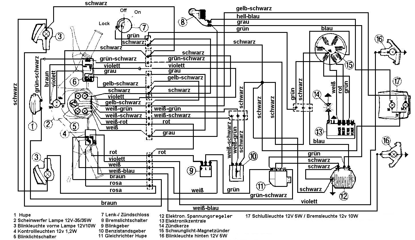
ich verlager mein Problem mal in den Elektrik Bereich. Ich habe ein Vespa PK 50 bj. 83 V5XT1 mit komplett überholten Motor. Gestern angeschmissen und zur Verwunderung festgestellt das ich wenn mein Zündschloss auf "OFF" ist die Kiste ankicken kann. Das hat natürlich zur Folge das ich Sie nicht wieder aus bekomme via Zündschlüssel was nur bedingt optimal ist. Habe getestet ob da Saft auf den Steckern ist und das ist es.
Hat jemand eine Idee wo der Fehler liegt bzw. wie ich das Problem beheben kann? Die CDI sollte in Ordnung sein, es fehlt bzw. ist nur laienhaft ein neues Massekabel ran "gedrückt" worden.
Bin für jede Hilfe dankbar.
LG Jan
