1. Vespa Forum
    1. Unerledigte Themen
  2. Dashboard
  3. Galerie
    1. Alben
    2. Karte
  4. Lexikon
  • Anmelden oder registrieren
  • Suche
Dieses Thema
  • Alles
  • Dieses Thema
  • Dieses Forum
  • Forum
  • Galerie
  • Lexikon
  • Seiten
  • Erweiterte Suche
  1. VespaOnline Forum: Entdecke die Welt der klassischen Vespa-Roller und teile deine Leidenschaft
  2. Vespa Smallframe / Largeframe / Wideframe Roller
  3. Vespa Elektrik

PK geht im "OFF" Modus an aber leider auch nicht mehr aus

  • Der_Dschani
  • March 22, 2012 at 10:20
  • Der_Dschani
    Schüler
    Punkte
    390
    Beiträge
    62
    Bilder
    2
    Wohnort
    Flensburg
    Vespa Typ
    PK 50
    • March 22, 2012 at 10:20
    • #1

    Moin Moin,

    ich verlager mein Problem mal in den Elektrik Bereich. Ich habe ein Vespa PK 50 bj. 83 V5XT1 mit komplett überholten Motor. Gestern angeschmissen und zur Verwunderung festgestellt das ich wenn mein Zündschloss auf "OFF" ist die Kiste ankicken kann. Das hat natürlich zur Folge das ich Sie nicht wieder aus bekomme via Zündschlüssel was nur bedingt optimal ist. Habe getestet ob da Saft auf den Steckern ist und das ist es.
    Hat jemand eine Idee wo der Fehler liegt bzw. wie ich das Problem beheben kann? Die CDI sollte in Ordnung sein, es fehlt bzw. ist nur laienhaft ein neues Massekabel ran "gedrückt" worden.

    Bin für jede Hilfe dankbar.

    LG Jan

  • kasonova
    Foren-Inventar
    Reaktionen
    43
    Punkte
    31,593
    Trophäen
    2
    Beiträge
    6,227
    Bilder
    10
    Einträge
    3
    Wohnort
    Solingen
    Vespa Typ
    Vespa ET2, V50 Spezial, PK 50 XL2
    • March 22, 2012 at 10:26
    • #2

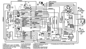
    Hi das Zündschloß legt, wenn alles in Ordnung ist, Masse auf das grüne Kabel. Das geht über den Verbindungsstecker, rechts hinten unter dem Trittbrett, in die Lichtmaschine, und dort auf den Pluspol der Ladespule für die Zündung. So jetzt kannst Du dir aussuchen wo der Fehler liegen könnte.

    Bilder

    • Schaltplan.jpg
      • 232.34 kB
      • 1,452 × 840
      • 180
  • 125vnb6
    Meister
    Reaktionen
    1,843
    Punkte
    13,708
    Trophäen
    2
    Beiträge
    2,358
    Einträge
    1
    Wohnort
    81241 München, Deutschland
    Vespa Typ
    VNB1,6,50S,Primavera ET3, PK50,PK50S,PX200E, Chetak 150, NSU Quickly. Lambretta J125, Ciao SC, 2*Vjatka, VN2T
    • March 22, 2012 at 11:40
    • #3

    ...den Schalter und seine Anschlüsse kontrollier mal

    sitzt wie gesagt am Zündschloss (Kaskade abnehmen) und legt wie es Kasonova schon gesagt hat grün auf Masse und unterbricht die Zündung.
    Ich vermute mal das da der Hund begraben ist (defekter Schalter, nicht ordentlich angeschlossen etc.)

    ....und auf welchen Steckern hast getestet ob Saft ist, hoffentlich am richtigen

    ansonsten ziehst den Stecker vom Zündschloss-Schalter ab und prüfst (am einfachsten mit ner Prüflampe bzw. Durchgangsprüfer)
    Zündung aus und einschalten ob der Schalter eine Funktion hat (und auch ordentlich angeschlossen ist).

    Sollte der Schalter funktioneren, dann die Steckerkombination am Motorblock überprüfen (Rundstecker, bzw. kann auch ein Kabelkästchen sein und natürlich auch an der CDI).

    Hast du den Kabelbaum ausgefädelt gehabt bevor es zum Lackierer ging?

  • kasonova
    Foren-Inventar
    Reaktionen
    43
    Punkte
    31,593
    Trophäen
    2
    Beiträge
    6,227
    Bilder
    10
    Einträge
    3
    Wohnort
    Solingen
    Vespa Typ
    Vespa ET2, V50 Spezial, PK 50 XL2
    • March 22, 2012 at 13:32
    • #4

    Hi, NEIN an der CDI liegt es definitiv nicht, die Zündung wird unterbrochen, in dem die Ladespule mit beiden Seiten auf Masse gelegt wird, so wird kein Strom mehr für die CDI produziert.

  • 125vnb6
    Meister
    Reaktionen
    1,843
    Punkte
    13,708
    Trophäen
    2
    Beiträge
    2,358
    Einträge
    1
    Wohnort
    81241 München, Deutschland
    Vespa Typ
    VNB1,6,50S,Primavera ET3, PK50,PK50S,PX200E, Chetak 150, NSU Quickly. Lambretta J125, Ciao SC, 2*Vjatka, VN2T
    • March 22, 2012 at 16:25
    • #5

    Ja, das hast du schon recht, nur setzt das voraus das es sich um eine Originale Zündung handelt an der nicht herum gefummelt wurde.

    ...da habe ich mich falsch ausgedrückt mit es kann die CDI sein (ist ja klar bei laufenden Motor), gemeint habe ich er möge die Steckverbindungen dieser kontrollieren, spez. da die grüne Leitung, denn da habe ich schon die abenteuerlichsten Konstruktionen gesehen.

  • Der_Dschani
    Schüler
    Punkte
    390
    Beiträge
    62
    Bilder
    2
    Wohnort
    Flensburg
    Vespa Typ
    PK 50
    • March 22, 2012 at 23:20
    • #6
    Zitat von 125vnb6

    ansonsten ziehst den Stecker vom Zündschloss-Schalter ab und prüfst (am einfachsten mit ner Prüflampe bzw. Durchgangsprüfer)
    Zündung aus und einschalten ob der Schalter eine Funktion hat (und auch ordentlich angeschlossen ist).

    Habe ich.... Strom drauf!

    Zitat von 125vnb6

    Sollte der Schalter funktioneren, dann die Steckerkombination am Motorblock überprüfen (Rundstecker, bzw. kann auch ein Kabelkästchen sein und natürlich auch an der CDI).

    Habe ich auch... Strom drauf!

    Zitat von 125vnb6

    Hast du den Kabelbaum ausgefädelt gehabt bevor es zum Lackierer ging?

    Und ja der Kabelbaum war draussen, bevor lackiert wurde!

    Werde morgen mal mit meiner CDI zum Vespa Händler hier in der Stadt gehen, mal sehen ob der neue Erkenntnisse hat.

  • 125vnb6
    Meister
    Reaktionen
    1,843
    Punkte
    13,708
    Trophäen
    2
    Beiträge
    2,358
    Einträge
    1
    Wohnort
    81241 München, Deutschland
    Vespa Typ
    VNB1,6,50S,Primavera ET3, PK50,PK50S,PX200E, Chetak 150, NSU Quickly. Lambretta J125, Ciao SC, 2*Vjatka, VN2T
    • March 23, 2012 at 06:14
    • #7

    Du sollst kontrollieren ob der Schalter funktioniert. Bei einer kaputten Lampe hast auch Strom drauf aber die Lampe ist hin.


    Die CDI funktioniert schon wenn der Motor läuft und an den Kabeln nicht herum gefummelt wurde (da hatte ich mal eine lustige Kabelsteckerei über die CDI von daher habe ich angedacht die Stecker zu überprüfen).

    Schau nochmals ob, die gesamte Schlosseinheit richtig zusammengebaut ist und der Zündschalter richtig sitzt (ich vermute da den Hund)


    lg

  • Der_Dschani
    Schüler
    Punkte
    390
    Beiträge
    62
    Bilder
    2
    Wohnort
    Flensburg
    Vespa Typ
    PK 50
    • March 25, 2012 at 21:20
    • #8

    Danke für eure Tipps, es läuft wieder. Es war ein Kabel vertauscht hinten am "Motor-Loch"
    Habe jetzt nur ein neues Problem. Meine 12 Volt Birnen knallen alle durch, laut "Prüfer" laufen ca. 24V durch die Vespa :thumbdown:
    Das kann ja wohl nicht angehen oder? Woran mag das wohl liegen?

    LG Jan

  • rassmo
    Foren-Himbeertoni
    Reaktionen
    2,602
    Punkte
    62,137
    Trophäen
    3
    Beiträge
    11,831
    Einträge
    10
    • March 25, 2012 at 21:32
    • #9
    Zitat von Der_Dschani

    Das kann ja wohl nicht angehen oder? Woran mag das wohl liegen?

    Bauteil 12: Spannungsbegrenzer wäre doch eine gute Lösung.

    Jeder will alt werden, aber keiner will alt sein.

  • Der_Dschani
    Schüler
    Punkte
    390
    Beiträge
    62
    Bilder
    2
    Wohnort
    Flensburg
    Vespa Typ
    PK 50
    • March 25, 2012 at 22:08
    • #10

    Spannungsregler? Öhm beim aus einander nehmen habe ich sowas gar nicht gesehen, wo wie kann ich das in meine PK 50 einbauen? Hat jede PK serienmäßig ein Spannungsregler....?

  • Lukk
    De nihilo nihilum.
    Reaktionen
    22
    Punkte
    9,022
    Trophäen
    1
    Beiträge
    1,729
    Bilder
    14
    Wohnort
    Lübeck
    Vespa Typ
    PK 50 XL 1 , PK 50, PK 50 Sparkassenmodell, HP4, Spezial
    • March 25, 2012 at 22:35
    • #11

    Das wird ja lustig.
    Ja auch deine PK hatte einen 6V Spannungsregler. Ist in der leeren Backe, ein vergossener Alublock.
    Dein Motor ist ja nicht mehr der originale, was ist da für einer drin? Was war bei dem dabei?
    Hatte der schon eine ZGP? Hatte der schon eine CDI?
    Weil diese Teile brauchst du auch für deine 6V Vespa.

    Und nein, 12V Birnen sind die falschen, du brauchst 6V Birnen. Der Strom müsste für die 12V Birnen zu hoch sein.

    Ab und zu können auch bei Funktionierenden Spannungsreglern Spannungsspitzen kommen, je nach Multimeter kannst du das sogar messen. Deshalb bringt dir das wenig.
    Ohne Spannungsregler darf überhauptnichts bei deinen Birnen ankommen. Also schau dir den mal an, was drauf steht und beantworte die obigen Fragen.

    Gruß Luk

    Nicht alles was zwei Backen hat ist eine Vespa.

  • 125vnb6
    Meister
    Reaktionen
    1,843
    Punkte
    13,708
    Trophäen
    2
    Beiträge
    2,358
    Einträge
    1
    Wohnort
    81241 München, Deutschland
    Vespa Typ
    VNB1,6,50S,Primavera ET3, PK50,PK50S,PX200E, Chetak 150, NSU Quickly. Lambretta J125, Ciao SC, 2*Vjatka, VN2T
    • March 26, 2012 at 08:24
    • #12

    ...na da wäre ich aber vorsichtig, nicht alle PK´s hatten einen Spannungsregler
    Die Sparausführung 6V, ohne Blinker, Hupe, Schnarre, Bremslicht war ohne

  • Der_Dschani
    Schüler
    Punkte
    390
    Beiträge
    62
    Bilder
    2
    Wohnort
    Flensburg
    Vespa Typ
    PK 50
    • March 26, 2012 at 09:27
    • #13
    Zitat von 125vnb6

    ...na da wäre ich aber vorsichtig, nicht alle PK´s hatten einen Spannungsregler
    Die Sparausführung 6V, ohne Blinker, Hupe, Schnarre, Bremslicht war ohne

    Und genau das Model habe ich ja:) Ist zwar nicht mehr der original Motor drinne aber der Rest sprich Lampen stammen von einer dieser Vespen "mit ohne" Blinker, Hupe.
    Kann ich um mein Problem zu lösen einfach eine Spannungsregler "zwischen schalten" ?

  • rassmo
    Foren-Himbeertoni
    Reaktionen
    2,602
    Punkte
    62,137
    Trophäen
    3
    Beiträge
    11,831
    Einträge
    10
    • March 26, 2012 at 09:38
    • #14

    Die Elektrik wird aber doch vom Motor bestimmt und nicht vom Roller. Je nach Grundplatte brauchst du einen Spannungsregler. Wenn es die Grundplatte einer Special o.ä. ist brauchst du dagegen keinen. Was hat dein Motor denn für eine Präfix?

    Jeder will alt werden, aber keiner will alt sein.

  • Der_Dschani
    Schüler
    Punkte
    390
    Beiträge
    62
    Bilder
    2
    Wohnort
    Flensburg
    Vespa Typ
    PK 50
    • March 26, 2012 at 09:42
    • #15

    Werde gleich mal die Motor Nummer gucken, dann sehen wir weiter....

  • 125vnb6
    Meister
    Reaktionen
    1,843
    Punkte
    13,708
    Trophäen
    2
    Beiträge
    2,358
    Einträge
    1
    Wohnort
    81241 München, Deutschland
    Vespa Typ
    VNB1,6,50S,Primavera ET3, PK50,PK50S,PX200E, Chetak 150, NSU Quickly. Lambretta J125, Ciao SC, 2*Vjatka, VN2T
    • March 26, 2012 at 19:53
    • #16

    auch die Special gab es mit 6Volt Kontaktzündung ohne bzw. bei 12 Volt Version mit Spannungsregler.

    Die Motornummer ist egal, wichtig ist welche Zündgrundplatte da verbaut wurde.
    Nachdem bei dir anscheinend nicht die Original Zündung der PKS mit 6 Volt verbaut ist, sondern eine 12 Volt Zündung, wirst einen Spannungsregler dazwischen schalten müssen. Am Besten mit der dementsprechenden Halterung an der üblichen Stelle in der linken Seitenbacke. Wie viele Kabeln hat die Zündgrundplatte (außer den drei die zur cdi wandern), welcher Anschluss ist am Motorblock. Ist da ein Kabelkästchen gesetzt worden (welche Farben sind da vorhanden) oder der originale Rundstecker mit den PINS (wie viele da belegt)
    Und dann stellt sich halt noch die Frage welchen Kabelbaum hast du drinnen, wieder den Alten der PKS eingezogen oder einen der anderen
    Pk-Modelle. Dementsprechend müssen halt dann auch die Anschlüsse am Kabelkästchen oder Rundstecker bei Bedarf abgeändert bzw. neu gemacht werden.

    Einmal editiert, zuletzt von 125vnb6 (March 26, 2012 at 20:03)

  • Lukk
    De nihilo nihilum.
    Reaktionen
    22
    Punkte
    9,022
    Trophäen
    1
    Beiträge
    1,729
    Bilder
    14
    Wohnort
    Lübeck
    Vespa Typ
    PK 50 XL 1 , PK 50, PK 50 Sparkassenmodell, HP4, Spezial
    • March 26, 2012 at 19:58
    • #17

    Jetzt bringst mich aber ins wanken, war mir sicher, dass meine einen drinnen hat.
    Muss ich mal die Tage nachschauen.

    An den TE: mach uns doch mal ein Bild von der ZGP, dann werden wir dir sagen, was das ist und was du brauchst.

    Gruß Luk

    Nicht alles was zwei Backen hat ist eine Vespa.

  • Der_Dschani
    Schüler
    Punkte
    390
    Beiträge
    62
    Bilder
    2
    Wohnort
    Flensburg
    Vespa Typ
    PK 50
    • March 27, 2012 at 22:27
    • #18

    Wer ich morgen machen danke!
    Also die Kabel sind noch von der alten PK drinne, Motor ist komplett neuer (zu 100% aus einer neueren PK, weiss nur nicht welche) mit CDI und ZGP Komplett. Also von der alten PK sind nur noch die Lampen und die Verbindskabel vorhanden. Rest komplett aus einer neueren PK.

    LG Jan

    PS: Morgen werde ich versuchen die ZGP zu fotografieren.

  1. Datenschutzerklärung
  2. Impressum
  3. Kontakt
  4. Geschichte der Vespa bei Wikipedia
  5. Nutzungsbedingungen
Made with ♥ in Bavaria
Community-Software: WoltLab Suite™