Hallo,
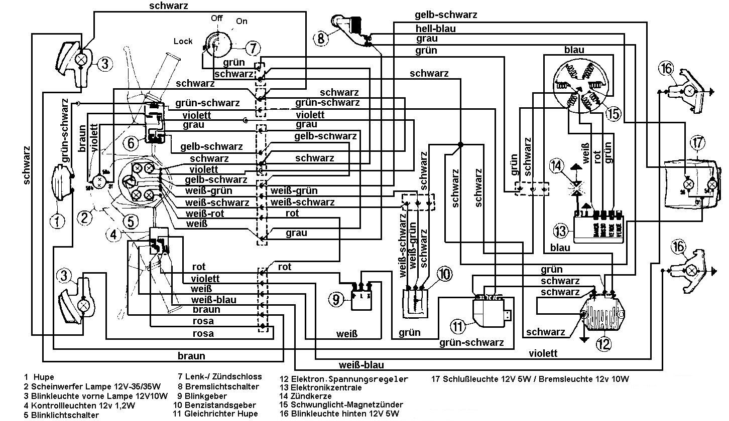
ich habe ein Problem mit der Verkabelung meiner PK50XL. Ich habe mir nicht aufgeschrieben welches Kabel wohin gehört. Zumal es ja mehrere gleichfarbige Stecker gibt die in mehrere Steckplätze passt.
Ich hoffe ihr könnt mir dabei helfen wieder alles richtig anzuschließen. Die einzigen beiden die ich sicher sagen kann ist rot und weiß (siehe Bild) Aber wo gehört z.B. welches grün/schwarz hin oder welches Schwarze in welchen Platz genauso wie die beiden gelben.
MfGodzkilla
