SIP Scootershop | Vespa Tuning & Scooter Parts

Vespa Elektrikverkabelung anschließen

  • Hallo,
    ich habe ein Problem mit der Verkabelung meiner PK50XL. Ich habe mir nicht aufgeschrieben welches Kabel wohin gehört. Zumal es ja mehrere gleichfarbige Stecker gibt die in mehrere Steckplätze passt.

    Ich hoffe ihr könnt mir dabei helfen wieder alles richtig anzuschließen. Die einzigen beiden die ich sicher sagen kann ist rot und weiß (siehe Bild) Aber wo gehört z.B. welches grün/schwarz hin oder welches Schwarze in welchen Platz genauso wie die beiden gelben.

    MfGodzkilla

    --Lieber Sehnenscheidenentzündung vom Schalten, als nen krummen Daumen vom Startknopf!--

  • Hallo ich würde Dir ja gerne helfen, aber Du hast nicht ausgefüllt wo Du zu hause bist, und auf Deinem Bild seh ich garnichts. Mit Werbung werd ich eh zugeschmissen da must Du nicht auch noch mit machen. Bilder lassen sich in diesen Forum DIREKT hochladen , unter in der Zeile unter "Dateianhänge".

    Auf so etwas kann ich verzichten.

  • So sollte die Vespa laufen :

  • also erstmal: wenn du ein bild hochlaedst, mach das direkt hier im forum, die funktion findest du unter "dateianhaenge" unter dem textfeld!

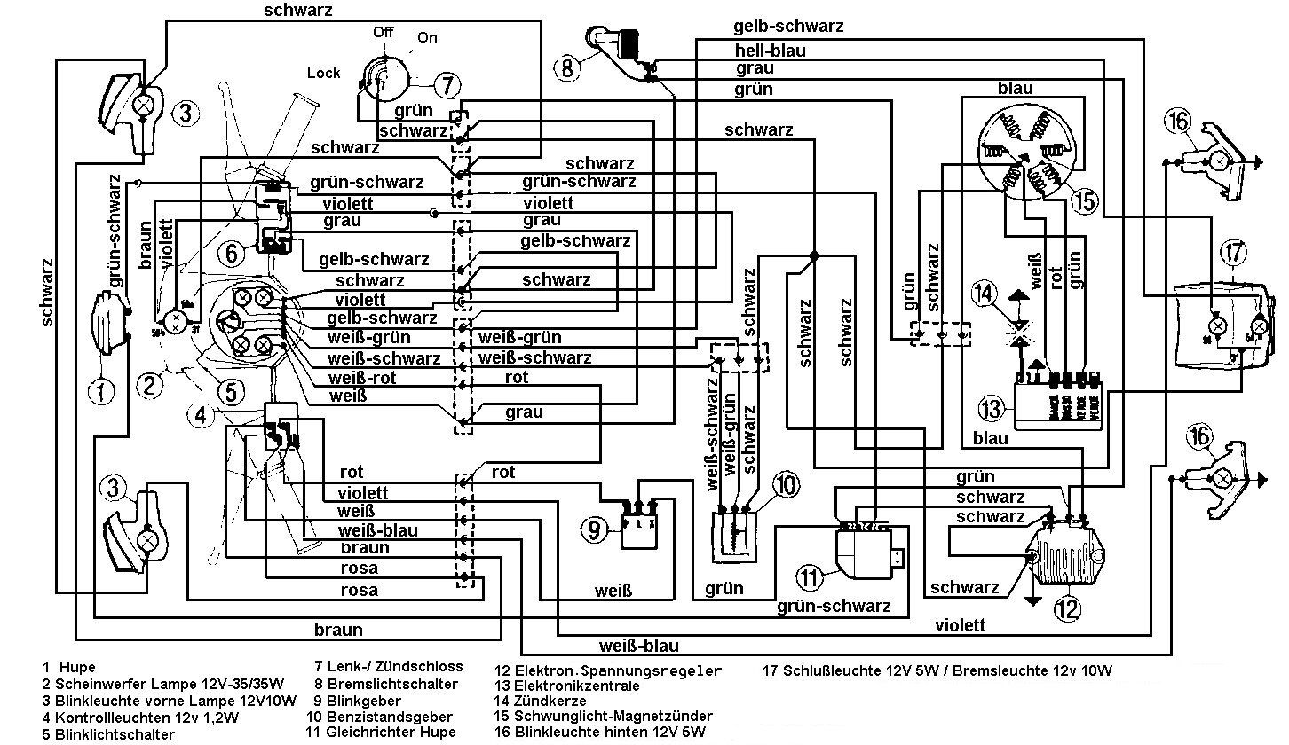
    ich hab deinen [lexicon='schaltplan',''][/lexicon] mal komplettiert, die gruen-schwarzen kabel kannste i.wie anschliessen, eines geht direkt zur hupe, das andere noch durch den schalter.
    die beiden gruenen und schwarzen kabel kannste auch verkehrt herum einstecken, da diese paare immer parallell geschaltet sind is es egal, musst sehen wie sichs von der kabellaenge ausgeht!

    und wenn du dir mal die farben der aufkleber der hersteller ansiehst, waerste sicher auch von selbst auf die loesung gekommen,die kleben die nicht umsonst da rauf ;)

  • oh cardoc war wohl schneller, aber laut dem [lexicon='schaltplan',''][/lexicon] der xl1 sind die gruen-schwarzen doch fuer die hupe ?(
    und was machste mit dem blauen aus der lichtmaschine?

    Die StVO entspricht nicht meinem Fahrstil!

  • Hallo,
    zuerst mal vielen Dank für die Hilfe. Und Ich habe nur die Funktion Bild einfügen gesehen und dann einfach schnell des Bild irgendwo hochgeladen. Aber jetzt weiß ich ja das ich auch direkt Uploaden kann 2-)

    Danke dir Cardoc für den zusätzlichen [lexicon='Schaltplan',''][/lexicon].
    Da kann ich ja heute noch alles anschließen.

    MfGodzkilla :D

    --Lieber Sehnenscheidenentzündung vom Schalten, als nen krummen Daumen vom Startknopf!--

  • So ich habe auch ne Vespa zum zusammenbauen bekommen. Und bei mir steht gerade auch das verkabel an...
    Ich hab sie jetzt nach dem Plan von "köberle" verkabelt. allerdings bleiben dabei die zwei Schwarz-Grünen Kabel über - wofür sind diese, wo müssen sie angeschlossen werden?
    Außerdem frage ich mich, welche verkabelung jetzt die richtige ist, die von "köberle" oder die von "cardoc2001"??

    schon mal vielen Dank für die Hilfe :)