Hi,
habe folgendes Problem.
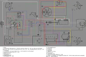
Meine Blinkerkontrolleuchte blinkt nicht mehr.
Blinker gehen alle, aber meineserachtens zu schnell.
Passiert ist das alles erst, als ich die Gepäckbox aus dem GSF an Stelle der Batterie angeschraubt habe.
Batterie habe ich ins Gepäckfach gepackt und das schwarze Massekabel, dass zur Batterie geht, an eine andere Stelle des Rahmens als vorher geschraubt.
Kann das schnelle Blinken ein Masseproblem sein?
Kabel sind alle am Relais und Blinker angesteckt.
Vielleicht hatte von Euch auch schon jemand das Problem.