Hi
habe mir von einem Bekannten eine VESPA PK 50 XL besorgen lassen.
Motor ist echt eins A! Er läuft wie eine Nähmaschine.
Nur mit der Elektrik habe so mega Probleme.
Wenn ich das Fahrlicht einschalte leuchtet meine Tachobeleuchtung und meine Kontrollleuchte. Soweit so gut.
Schalte ich dann aber die Blinker ein, wir die ganze Beleuchtung etwas dunkler <- Sieht aus wie ein klassischer Massefehler.
Mein Fahrlicht leuchtet auch nur ganz ganz ganz schwach. Kaum erkennbar.
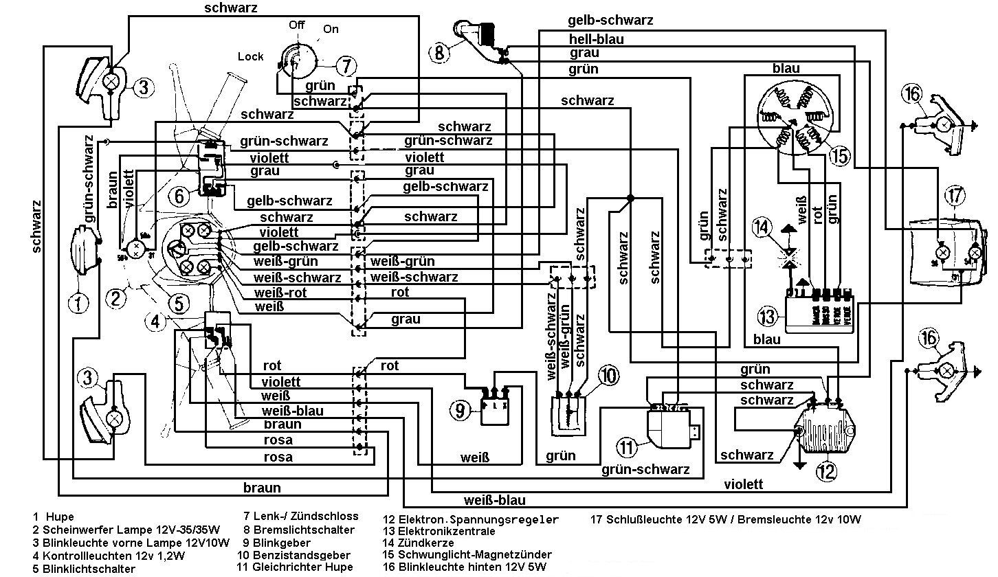
Also hab ich mir mal ein Stromlaufplan besorgt und alles durchgecheckt. Dabei habe ich festgestellt, dass hier was nicht stimmt.
Aus meiner ZGP kommen 4 Kabel raus, Rot, Grün, Schwarz und Blau. aber an dem Verbindungsstecker, wo es zum Kabelbaum geht, habe ich nur 3 Stecker. Blau, schwarz und Grün. Gelb ist einfach nicht da. Führt ins Leere -.-
Grün geht zum Zündschloss
Schwarz geht zum Spannungsregler und Masse
Blau geht zum Lichtschalter vor.
Mein Spannungsregler ist 3polig.
Laut [lexicon='Schaltplan',''][/lexicon] müsste ein Blaues direkt an den Spannungsregler gehn. Stattdessen hab ich ein dickes Gelbes Kabel was an den Spannungsregler geht und das gelbe wiederum kommt vom Licht vorne
Schwarz direkt an den Massepunkt (Kabelknollen)
und Grün kommt vom Blinkgeber.
Mich regt das mittlerweile so auf, dass ich kurz davor bin mir einen neuen Kabelbaum zu kaufen, wo wenigsten mal alle Farben stimmen.
Aber kann ich vllt noch den Spannungsregler durchmessen, bzw wie muss ich was wo messen? Irgendwelche Werte?
Was muss an dem runden Stecker am Kabelbaum anfang ankommen und was genau zum Spannungsregler?
Ich habe auch keinen Hupengleichrichter, also somit auch eine 12V Anlage?
und macht es was, wenn meine ZGP 4 kabel hat, aber der neue Kabelbaum nur 3?
