1. Vespa Forum
    1. Unerledigte Themen
  2. Dashboard
  3. Galerie
    1. Alben
    2. Karte
  4. Lexikon
  • Anmelden oder registrieren
  • Suche
Dieses Thema
  • Alles
  • Dieses Thema
  • Dieses Forum
  • Forum
  • Galerie
  • Lexikon
  • Seiten
  • Erweiterte Suche
  1. VespaOnline Forum: Entdecke die Welt der klassischen Vespa-Roller und teile deine Leidenschaft
  2. Vespa Smallframe / Largeframe / Wideframe Roller
  3. Vespa Elektrik

Verwirrende Elektrik

  • 4vic
  • August 14, 2013 at 22:38
  • 4vic
    Anfänger
    Punkte
    50
    Beiträge
    8
    Vespa Typ
    Vespa PK 50 XL
    • August 14, 2013 at 22:38
    • #1

    Hi

    habe mir von einem Bekannten eine VESPA PK 50 XL besorgen lassen.
    Motor ist echt eins A! Er läuft wie eine Nähmaschine.
    Nur mit der Elektrik habe so mega Probleme.

    Wenn ich das Fahrlicht einschalte leuchtet meine Tachobeleuchtung und meine Kontrollleuchte. Soweit so gut.
    Schalte ich dann aber die Blinker ein, wir die ganze Beleuchtung etwas dunkler <- Sieht aus wie ein klassischer Massefehler.
    Mein Fahrlicht leuchtet auch nur ganz ganz ganz schwach. Kaum erkennbar.
    Also hab ich mir mal ein Stromlaufplan besorgt und alles durchgecheckt. Dabei habe ich festgestellt, dass hier was nicht stimmt.

    Aus meiner ZGP kommen 4 Kabel raus, Rot, Grün, Schwarz und Blau. aber an dem Verbindungsstecker, wo es zum Kabelbaum geht, habe ich nur 3 Stecker. Blau, schwarz und Grün. Gelb ist einfach nicht da. Führt ins Leere -.-

    Grün geht zum Zündschloss
    Schwarz geht zum Spannungsregler und Masse
    Blau geht zum Lichtschalter vor.

    Mein Spannungsregler ist 3polig.

    Laut Schaltplan müsste ein Blaues direkt an den Spannungsregler gehn. Stattdessen hab ich ein dickes Gelbes Kabel was an den Spannungsregler geht und das gelbe wiederum kommt vom Licht vorne
    Schwarz direkt an den Massepunkt (Kabelknollen)
    und Grün kommt vom Blinkgeber.

    Mich regt das mittlerweile so auf, dass ich kurz davor bin mir einen neuen Kabelbaum zu kaufen, wo wenigsten mal alle Farben stimmen.
    Aber kann ich vllt noch den Spannungsregler durchmessen, bzw wie muss ich was wo messen? Irgendwelche Werte?

    Was muss an dem runden Stecker am Kabelbaum anfang ankommen und was genau zum Spannungsregler?

    Ich habe auch keinen Hupengleichrichter, also somit auch eine 12V Anlage?

    und macht es was, wenn meine ZGP 4 kabel hat, aber der neue Kabelbaum nur 3?

    2 Mal editiert, zuletzt von 4vic (August 14, 2013 at 22:48)

  • kasonova
    Foren-Inventar
    Reaktionen
    43
    Punkte
    31,593
    Trophäen
    2
    Beiträge
    6,227
    Bilder
    10
    Einträge
    3
    Wohnort
    Solingen
    Vespa Typ
    Vespa ET2, V50 Spezial, PK 50 XL2
    • August 15, 2013 at 08:08
    • #2

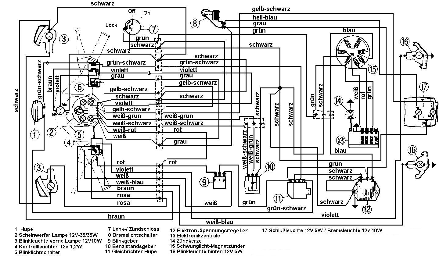
    Hi was bei Deiner Angabe fehlt ist, hast Du eine Batterie? Es gibt zweierlei Lima´s, 5 Kabel für "mit Batterie" und drei Kabel "ohne Batterie". Die letztere Version brauch einen Hupengleichrichter, die erstere nicht. Eine Lima mit 4 Kabeln Kenn ich nicht, und auch keine Vespa mit GLEICHSTROMlichtanlage. Entweder ist da was gewaltig gefrickelt oder eine falscher Motor (Lichtmaschine) Verbaut. Welcher Motor in Deine Vespa gehört, kannst Du an Hand der Nummern feststellen. Hier mal die beiden Schaltpläne.

    Bilder

    • Schaltplan.jpg
      • 232.34 kB
      • 1,452 × 840
      • 1,773
    • Schaltplan-Batterie.jpg
      • 290.93 kB
      • 1,818 × 1,200
      • 609
  • 4vic
    Anfänger
    Punkte
    50
    Beiträge
    8
    Vespa Typ
    Vespa PK 50 XL
    • August 15, 2013 at 09:13
    • #3

    Definitiv hat sie keine Batterie.
    Ich denke, dass da ein falscherkabelbaum und ne andere Lima eingebaut ist.
    Auf dem Schein steht
    Circlomotore V5X3T (Vespa PK50xl)
    Tipo V5X1M

    Aber soviel ich weis, ist ein 70ccm Zylinder mit Kolben verbaut. Das macht aber nichts.
    Nach meiner Recherche gestern noch, habe ich festgestellt, dass der Spannungsregler falsch angeschlossen ist oder sein muss.

  • kasonova
    Foren-Inventar
    Reaktionen
    43
    Punkte
    31,593
    Trophäen
    2
    Beiträge
    6,227
    Bilder
    10
    Einträge
    3
    Wohnort
    Solingen
    Vespa Typ
    Vespa ET2, V50 Spezial, PK 50 XL2
    • August 15, 2013 at 09:43
    • #4

    Ja was auf dem Schein steht, ist Heile Welt. Was auf dem Motor steht, ist die Wahrheit. Das währe wichtig zu wissen. Wenn Sich das nicht klären lässt, muss das Lüfterrad runter und geprüft werden, was da drin ist. Der Spannungsregler hat bei der dreipoligen Version, nur die Aufgabe, die ungeregelte Spannung der Lima auf 12 Volt zu begrenzen. Dazu gehört ein Blinkrelais für Wechselstrom und ein Hupengleichrichter, denn die Hupe mag nur Gleichstrom. Der Regler der Batterieversion hat die gleiche Funktion und zusätzlich noch ein Gleichrichterteil für den Ladestrom der Batterie. Wenn bei der Überprüfung des Motors (Nummer) nichts raus kommt, muss die Lima geöffnet werden um zu sehen was da drin ist.

  • 4vic
    Anfänger
    Punkte
    50
    Beiträge
    8
    Vespa Typ
    Vespa PK 50 XL
    • August 15, 2013 at 12:08
    • #5

    Wo ist die nummer zu finden?

  • kasonova
    Foren-Inventar
    Reaktionen
    43
    Punkte
    31,593
    Trophäen
    2
    Beiträge
    6,227
    Bilder
    10
    Einträge
    3
    Wohnort
    Solingen
    Vespa Typ
    Vespa ET2, V50 Spezial, PK 50 XL2
    • August 15, 2013 at 12:22
    • #6

    Da sollte sie stehen. Das ist zwar keine XL aber auch bei Dir sollte da die Nummer sein.

    Bilder

    • Dsc_0168.jpg
      • 338.84 kB
      • 1,805 × 1,200
      • 324
  • 4vic
    Anfänger
    Punkte
    50
    Beiträge
    8
    Vespa Typ
    Vespa PK 50 XL
    • August 15, 2013 at 18:31
    • #7

    Also an der von dir beschriebenen stelle steht der Motortyp nicht.

    Aber zu dem Stecker. Es ist ein runter 6poliger Stecker und davon sind 4 belegt.
    Gelb
    Blau
    Schwarz
    Grün

  • kasonova
    Foren-Inventar
    Reaktionen
    43
    Punkte
    31,593
    Trophäen
    2
    Beiträge
    6,227
    Bilder
    10
    Einträge
    3
    Wohnort
    Solingen
    Vespa Typ
    Vespa ET2, V50 Spezial, PK 50 XL2
    • August 15, 2013 at 18:47
    • #8

    Dann schau mal an dieser Stelle. Die Kabel; für die eine Version ist eins zu wenig, für die andere Version ist ein zu viel.

    Bilder

    • B17.jpg
      • 133.59 kB
      • 1,600 × 1,200
      • 407
  • 4vic
    Anfänger
    Punkte
    50
    Beiträge
    8
    Vespa Typ
    Vespa PK 50 XL
    • August 15, 2013 at 19:35
    • #9

    Hab siiiiiiiie
    V5n1m

    Das Internet spuckt mir nichts über den Code aus.

    Definitiv aber hab ich 4 Gänge, nen Kicker und keine Batterie

    Einmal editiert, zuletzt von 4vic (August 15, 2013 at 20:33)

  • rassmo
    Foren-Himbeertoni
    Reaktionen
    2,587
    Punkte
    62,122
    Trophäen
    3
    Beiträge
    11,831
    Einträge
    10
    • August 15, 2013 at 21:27
    • #10
    Zitat

    Vespa 50FL (FaceLift) 1990-1990 V5N1T 1101 bis 57991

    Quelle:Fuffi-Tours

    Jeder will alt werden, aber keiner will alt sein.

Tags

  • Vespa Elektrik
  1. Datenschutzerklärung
  2. Impressum
  3. Kontakt
  4. Geschichte der Vespa bei Wikipedia
  5. Nutzungsbedingungen
Made with ♥ in Bavaria
Community-Software: WoltLab Suite™