Servus!
Problem!
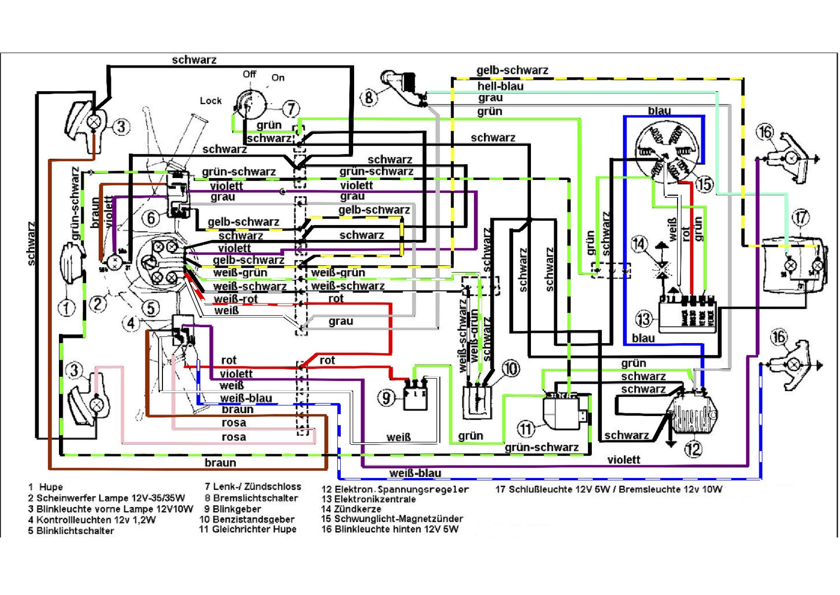
Sobald ich Doppelgrün am Gleichrichter einstecke geht mir komplett die Spannung runter?! Habe die Vespa komplett neu aufgebaut…sind die Stecker ab funktioniert alles…
Habe schon eine neue Hupe(alte war defekt)sowie „neuen gebrauchten“ Gleichrichter verbaut…
Kann doch nur ein Kabel auf Masse liegen oder?
Danke für die Hilfe
Grüße
