1. Vespa Forum
    1. Unerledigte Themen
  2. Dashboard
  3. Galerie
    1. Alben
    2. Karte
  4. Lexikon
  • Anmelden
  • Registrieren
  • Suche
Dieses Thema
  • Alles
  • Dieses Thema
  • Dieses Forum
  • Forum
  • Galerie
  • Lexikon
  • Seiten
  • Erweiterte Suche
  1. VespaOnline Forum: Entdecke die Welt der klassischen Vespa-Roller und teile deine Leidenschaft
  2. Vespa Smallframe / Largeframe / Wideframe Roller
  3. Vespa Elektrik

P80x: Blinker und Bremslicht gehen nicht

  • planlos7
  • February 23, 2007 at 18:51
  • planlos7
    Anfänger
    Punkte
    295
    Beiträge
    43
    Vespa Typ
    p 80 x
    • February 23, 2007 at 18:51
    • #1

    Hallo zusammen,

    ich habe ein kleines problem bei meiner vespa (bj 81, p80x).
    ich hab sie vor kurzem auseinander gebaut und beim lenker oben drin sind mir ein paar stecker rausgegangen und nun funktioniert der blinker (inklusive kontrollleuchte) und die vorderradbreme nicht mehr...

    hat mir jemand einen [lexicon='schaltplan',''][/lexicon], wo man gut erkennt, was wohin kommt?


    und mein nächstes problem ist, dass vom tacho eine verbindung über ein schraubgewinde zu einem schlauch im lenker nach unten geht. diese schraubgewinde musst ich zum öffnen aufschrauben. nur leider schaff ich es nicht es wieder zuzuschrauben, da der schlauch zu kurz ist man es ja zuschrauben muss, wenn die lenkerabdeckung noch leicht offen ist. hat da jemand ne idee, wie man das anschrauben könnte und für was ist diese verbindung? hat das nur was mit dem tacho zu tun, weil der funktioniert nur noch wenn man gas gibt, gibt man kein gas geht die anzeige auf 0....

    danke schonmal

  • Chrom
    Anfänger
    Punkte
    240
    Beiträge
    47
    Wohnort
    KÖLN
    Vespa Typ
    Vespa PK 50 XL
    • February 24, 2007 at 19:56
    • #2

    google ma da findest du bestimmt nen [lexicon='schaltplan',''][/lexicon]! hast verscheinlich die kabel vertauscht. könnte was damit zu tun haben aber was geht auf null ?? die tankanzeige?

  • planlos7
    Anfänger
    Punkte
    295
    Beiträge
    43
    Vespa Typ
    p 80 x
    • February 25, 2007 at 17:22
    • #3

    ok danke, die geschwindigkeitanzeige, aber das stört mich eigentlich nicht

  • Chrom
    Anfänger
    Punkte
    240
    Beiträge
    47
    Wohnort
    KÖLN
    Vespa Typ
    Vespa PK 50 XL
    • February 25, 2007 at 18:31
    • #4

    dann is dass der tachowellen antrieb oder ? musste eigentlich nur wieder reinstecken bin mir aber bei der px nicht sicher

  • planlos7
    Anfänger
    Punkte
    295
    Beiträge
    43
    Vespa Typ
    p 80 x
    • February 27, 2007 at 13:55
    • #5

    ok gut, bekomm des nicht dran, ist zwar nur zum schrauben, aber ist einfach zu kurz...
    aber wenn des eh nur für den tacho ist, brauch ich des nicht.
    danke

  • schwabenandy
    Fortgeschrittener
    Reaktionen
    1
    Punkte
    2,346
    Trophäen
    1
    Beiträge
    467
    Wohnort
    Esslingen
    Vespa Typ
    PX200/PK50XL2/Cosa/ 150SprintVeloce/V50N
    • February 27, 2007 at 14:22
    • #6
    Zitat

    Original von planlos7
    ok gut, bekomm des nicht dran, ist zwar nur zum schrauben, aber ist

    Versuch mal von unten die Tachowelle noch ein Stück durch die Gabel zu schieben. Meist reichen 2-3cm um oben die Rändelmutter an den Tacho zu schrauben.

  • Chrom
    Anfänger
    Punkte
    240
    Beiträge
    47
    Wohnort
    KÖLN
    Vespa Typ
    Vespa PK 50 XL
    • February 27, 2007 at 17:49
    • #7

    genau dass müsste theoretich funktionieren

  • RWBrf
    Fortgeschrittener
    Reaktionen
    3
    Punkte
    1,433
    Trophäen
    1
    Beiträge
    285
    Wohnort
    Wilhelmstraße 156, 72074 Tübingen, Deutschland
    Vespa Typ
    PX 125 E Lusso
    • February 27, 2007 at 19:11
    • #8

    oder: unten abschrauben und die Welle (samt Hülle) nach oben schieben -> oben am Tacho festschrauben -> Lenderabdeckung draufsetzen -> Welle wieder nach unten ziehen und am Tachoritzel am Vorderrad festschrauben.

    Viele Grüße aus Süddeutschland
    RWBrf
    ________________________________________________
    Der Kluge läßt sich belehren, der Unkluge weiß alles besser.

    Einmal editiert, zuletzt von RWBrf (February 27, 2007 at 19:11)

  • RWBrf
    Fortgeschrittener
    Reaktionen
    3
    Punkte
    1,433
    Trophäen
    1
    Beiträge
    285
    Wohnort
    Wilhelmstraße 156, 72074 Tübingen, Deutschland
    Vespa Typ
    PX 125 E Lusso
    • February 27, 2007 at 19:16
    • #9

    Vorderradbremse geht nicht - oder Bremslicht geht nicht?
    Überschrift und Text stimmen nicht überein.

    Falls Du das Bremslicht beim Betätigen der Vorderradbremse meinst: Das hat noch nie getan, da der Bremslichtschalter nur am Fußbremshebel sitzt.
    Falls Du tatsächlich die Funktion der Vorderradbremse meinst: Ich würde mal schauen, ob der Bremszug oben am Handbremshebel und unten noch eingehängt ist.

    Viele Grüße aus Süddeutschland
    RWBrf
    ________________________________________________
    Der Kluge läßt sich belehren, der Unkluge weiß alles besser.

  • planlos7
    Anfänger
    Punkte
    295
    Beiträge
    43
    Vespa Typ
    p 80 x
    • February 27, 2007 at 23:14
    • #10

    ok danke, werds gleich morgen mal probieren.
    mein nur das bremslicht.

  • Didi
    Schüler
    Punkte
    615
    Trophäen
    1
    Beiträge
    106
    Vespa Typ
    p
    • February 28, 2007 at 18:53
    • #11

    Hast du eine mit oder ohne Batterie?
    Ich glaube auch, dass der Motor laufen muss fürs Bremslicht.
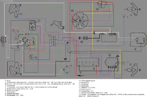
    Ich versuch dir mal nen [lexicon='Schaltplan',''][/lexicon] zu schicken.

    Bilder

    • V8X1TmitBatterie.gif
      • 142.5 kB
      • 1,736 × 1,146
  • planlos7
    Anfänger
    Punkte
    295
    Beiträge
    43
    Vespa Typ
    p 80 x
    • March 1, 2007 at 15:42
    • #12

    Danke für den plan, ist echt genial, da erkennt man wenigstens was...
    kann mir noch jemand sagen, wo ich das blinkerrelais an meiner vespa finde. denk mal das ist kaputt, da die hupe auch nicht funktioniert und ja auch da dran hängt!!

  • Didi
    Schüler
    Punkte
    615
    Trophäen
    1
    Beiträge
    106
    Vespa Typ
    p
    • March 1, 2007 at 17:55
    • #13

    Wenn du auf dem Plan die Hupe gefunden hast, verfolge doch mal das rosa Kabel, das hat nichts mit dem Blinkgeber zu tun.
    Blinker und Hupe gehen, wenn du ne Batterie hast, nur wenn die eingebaut ist und funktioniert, Vielleicht ist auch den Gleichrichter kaputt, dann wird die Batterie nicht geladen.
    Was funktioniert denn jetzt nicht, Blinker oder Bremslicht oder beides?
    Und wichtig, Bremslicht geht nur mit Fussbremse.

  • planlos7
    Anfänger
    Punkte
    295
    Beiträge
    43
    Vespa Typ
    p 80 x
    • March 2, 2007 at 12:13
    • #14

    also dass bremslicht geht. geht nur nicht bei der vorderrad bremse... aber des ist ja wie ich erfahren hab normal.

    die vespa stand jetzt ein halbes jahr ohne gefahren zu werden, also könnte die batterie leer sein...
    die hupe hat auch vor ein paar tagen noch ganz leise geräusche gemacht und jetzt garnix mehr..
    wie lang muss ich ungefähr rumfahren bis die batterie so voll ist, dass der blinker funktionieren müsste?

  • Stachelbär
    Fortgeschrittener
    Punkte
    1,280
    Trophäen
    1
    Beiträge
    256
    Wohnort
    Rosenheim
    Vespa Typ
    P80X--PK50
    • March 2, 2007 at 12:30
    • #15

    Bau ne neue Batterie rein und alles wird gut. :D Das Bremslicht geht nur bei der Rücktrittbremse.

    Es kommt nicht darauf an wie teuer deine Teile sind sondern was du daraus machst!!

  • chrisman
    Anfänger
    Punkte
    170
    Beiträge
    28
    Wohnort
    Rhein-Main-Gebiet
    Vespa Typ
    PK50 XL 2
    • April 19, 2007 at 22:34
    • #16
    Zitat

    Original von Didi
    Hast du eine mit oder ohne Batterie?
    Ich glaube auch, dass der Motor laufen muss fürs Bremslicht.
    Ich versuch dir mal nen [lexicon='Schaltplan',''][/lexicon] zu schicken.

    ui, gibts sonen [lexicon='schaltplan',''][/lexicon] auch für ne pk 50 xl2?? das wäre mal super...
    gruß
    christian

  • clemi132
    Fortgeschrittener
    Punkte
    1,145
    Trophäen
    1
    Beiträge
    216
    Wohnort
    Österreich,Vorarlberg
    Vespa Typ
    Pk50s, V50 special,VNA 2, VM1, PX200
    • April 20, 2007 at 15:29
    • #17

    Es kann auch sein das dein Spannungsregler kaputt ist durch das, dass du mit leerer Batterie herumgefahren bist.

    Hast du auch einen Elestart??


    mfg

    Clemens

    Weiß, dass er wirklich aus Vorarlberg kommt!

Tags

  • Vespa P80X
  • Vespa Blinker
  1. Datenschutzerklärung
  2. Impressum
  3. Kontakt
  4. Geschichte der Vespa bei Wikipedia
  5. Nutzungsbedingungen
Made with ♥ in Bavaria
Community-Software: WoltLab Suite™