Hallo,
ich habe eine PK50 XL1 und möchte folgendes Wissen:
Ich habe ja ein 12V DC Boardnetz, sprich wenn ich an einer der Lampen die Spannung messe sollten da
ja je nach Drehzahl bis zu 12V DC anliegen.
Ja/Nein?
Meine PK hat noch eine Wechselstromschnarre und somit auch keinen Hupengleichrichter.
Unter der Seitenbacke finde ich nur den Spannungsregler und das Blinkrelai.
Nun ist meine Frage wie arbeitet der Spannungsregler damit das Boardnetz eine saubere DC Spannung erhält?
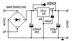
Weil eigentlich benötigt man doch für die Standartspannungsregler, auf jeden Fall einen Gleichrichter der die
AC Spannung gleichrichtet usw... siehe Bild:

Ich danke euch schonmal.
Gruß,
Bob