Moin Leude,
ich habe hier einen Roller PK 50 XL Baujahr 1991.
Ich habe keinen Zündfunken und ich komme irgendwie nicht weiter....
Bitte, bitte helft mir weiter.....
Ich weiss nicht weiter....
Grüße von der Küste ![]()
Fire
Moin Leude,
ich habe hier einen Roller PK 50 XL Baujahr 1991.
Ich habe keinen Zündfunken und ich komme irgendwie nicht weiter....
Bitte, bitte helft mir weiter.....
Ich weiss nicht weiter....
Grüße von der Küste ![]()
Fire
Kerze mal gewechselt???
Stecker mal abgedreht und Kabel mit ner Zange gegen Masse gehalten und Gekickt? Funke da?
Kabel mal gewechselt/gemessen???
Stehe gerade vor ziemlich dem gleiche Problem und hab alles durch, morgen werden Pickup und CDI gewechselt...
Ich habe keinen Zündfunken und ich komme irgendwie nicht weiter....
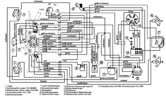
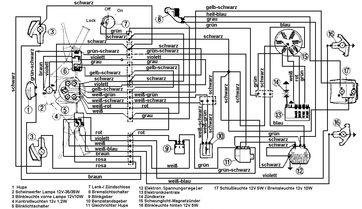
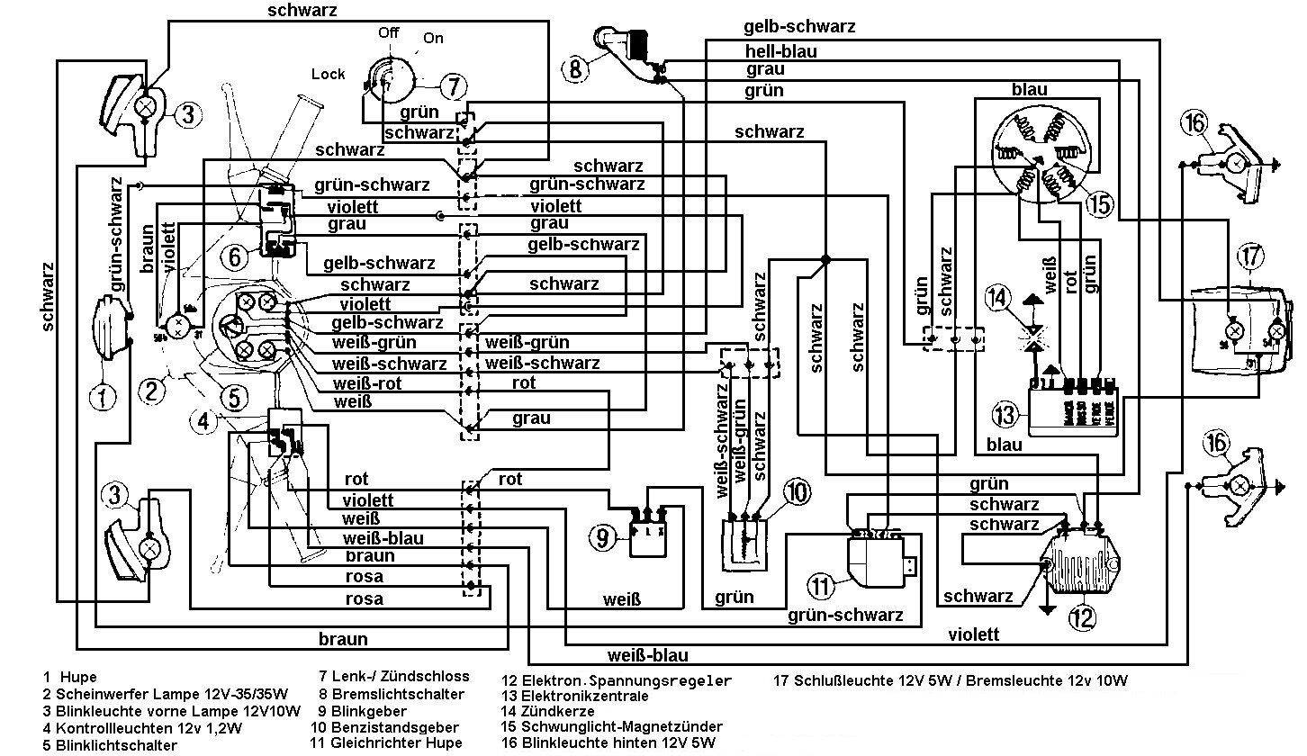
Diese Aussage läßt darauf schließen das du schon irgendetwas probiert hast. Daher wäre es interessant zu wissen was. Ansonsten gibt es viele Möglichkeiten. Hier eine kurze Aufzählung: Zündkerze, Kerzenstecker, Zündkabel, Zündgrundplatte, Pickup, Masseschluß des Killkabels, Kurzschluß, etc. Also beschreib mal seit wann der Fehler besteht. Wann und wie er sich bemerkbar machte und was du bisher ausprobiert hast.
Du kannst auch versuchen mithilfe der SuFu Threads mit ähnlicher Problemstellung zu finden.
@ Rassmo:
Blödmannsfrage: Was und wo genau ist das "Masseschluß des Killkabels"
Duck und weg...
Blödmannsfrage: Was und wo genau ist das "Masseschluß des Killkabels"
Da ich eine Spezial fahre habe ich kein Zündschloß. Ausgemacht wird sie durch den Kill-Schalter bei dem das Kabel gezielt auf Masse gelegt wird und dadurch kein Zündfunke mehr entsteht. Wenn das Kabel das zu dem Schalter führt irgendwo durchgescheuert ist und am Rahmen anliegt hat es den gleichen Effekt, durch Masseschluß des Killkabels, nämlich das kein Zündfunke entsteht. Das gleiche dürfte passieren wenn bei der PK50 das Kabel das zum Zündschloß geht defekt ist.
Also komm wieder hoch.
zündschloss findest du übrigens unter der kaskade...aber vorsicht, wenn du das aufmachen solltest...mir isses auseinander gebrochen
ich hab auch mal gelesen, dass man das kaputte zündschloss überbücken kann, indem man an der cdi den grünen stecker zieht.
Danke Rassmo, wieder etwas gelernt!
Morgen ist wohl bis zum Fussball Mess und Check Tag...
Zündschloss war schon ein paar mal raus, 2 kaputte Hupen...
Moin,
danke das ihr alles so schnell antwortet.
Ich habe denn Roller so bekommen und habe erstmal Kerze an Masse kein Zündfunke.
Pickup ausgelötet, und neues eingesetzt.
Immer noch kein Funke. Meint ihr ich soll Zündkabel und Stecker wechseln.
Welches Kabel ist das Kill Kabel
Schöne Grüsse von der Küste..... ![]()
Fire
Kabel und Stecker zuerst checken/wechslen!
Kill siehe Rassmo...
Welches Kabel ist das Kill Kabel
Ja, wenn das grüne Kabel am Zündschloss Massekontakt hat, ist das der gleige Effekt als wenn Du den Schlüssel abngezogen hast. Dadurch wird die Spule für den Zündstrom kurzgeschlossen. Kein Strom keine Zündung.
Danke,
ich werde das mal testen...
Fire
so leude,
immer noch kein zündfunke....
Kerze neu stecker neu zündkabel neu
Grüner stecker ab (killkabel) geht auch nicht, der stecker war auch ab wo kommt der wieder hin da sind zwei steckplätze für grün ?
Kann auch das Zündschloß defekt sein wie überbrücke ich das...?
CDI geht die auch kaputt...?
Grüße von der Küste ![]()
Fire
Hallo, das grüne Kabel, ich gehe mal davon aus, dass Du den Anschluss an der CDI meinst, ist mit nichten das KILLKABEL. Über dieses Kabel wird der Strom vom Generator für die Zündung geliefert. Wenn man das abzieht, geht natürlich nichts mehr. Das Killkabel, auch grün geht vom Zündschloss über den runden Verbindungsstecker in die Lichtmaschine, und ist da an der Plusseite der Spule für den Zündstrom angelötet. Die zweite Seite dieser Spule ist auf Masse angeschlossen. Der trick, wenn das Killkabel keine Verbindung zu Masse hat, Zündschloss auf "ON" produtiert diese Spule Strom. Wenn aber beide Seiten der Spule auf Masse liegen, ist die kurzgeschlossen und produziert keinen Strom = Motor aus. Der zweite grüne Anschluss an der CDI bleibt frei, weil die CDI auch für andere Fahrzeuge genutzt wird, welche eine andere Killschaltung haben. Da geht die Killleitung direkt zur CDI. Wenn Du auf den [lexicon='Schaltplan',''][/lexicon] schaust kannst Du das leicht verfolgen. Zündschloss (7) grün über einen Steckpunkt (Steckverbindung unter der Kaskade) zu dem zweiten Stecker (rund Verbindungsstecker) zur Lichtmaschine (15). An der gleichen Stelle geht das grüne Kabel für den Zündstrom ab, nach unten zur CDI (13). Wenn sich bei Dir nichts tut, hast Du das schon mal durchgemessen?
hi fire,
geht jetzt deine PK?
um zu sehen ob der CDI defekt ist benötigtst du ein Wechselspannungs-Messgerät
Weiß (Masse sprich Minus) gegen Grün ist die Versorgungsspannung für den CDI welchen Wert hast du?
ich habe hier zwsichen 90- 140 Volt wenn der Motor läuft oder der Anlasser dreht, am besten du lässt den Anlasser ohne Kerze drehen
weiß gegen rot (Pick up) ich habe hier zwsichen 0,9-1,2 Volt wenn der Motor läuft.
solltest du die selben Werte haben und keinen Funken trotz neuem Stecker, Kabel und Kerze
ist es der CDI war bei mir auch der Fall
hast du nichts zwischen weiß und rot ist es der Pick up oder die Leitung zum Pick
Hast du nichts zwischen weiß und grün ist es die Lichtmaschinenspule oder das Killkabel liegt gegen Masse oder der Schalter On liegt auf aus
gib mal Rückmeldung
Klaus
