Hallo. Bin neu hier im Forum, weil ich mit meinem Latein nun am Ende bin. Ich hole mal aus, damit ihr einen überblick habt :):
Letzen Sommer habe ich eine vespa pk 50 xl2 gekauft. Komplett zerlegt, bis nur noch der nackte rahmen da war. alles entrostet (flex, schleifscheibe), unschöne öffnungen zugeschweisst, rostschutzlack, grundierung, lackiert. Dann haben wir (freund, freundin, ich) neue bowdenzüge reingezogen, kabelbaum durchgestrickt, sitz beim sattler abgelifert und kleine verschönerungen vorgenommen. dann als der motor wieder drin war (p.s.: ist ein 4gang schalter) hatten wir keinen zündfunken. doch das haben wir nach einigem durchmessen rausgefunden, es lag an der zündgrundplatte, die war kaputt. neue ist jetzt drin, zündfunken da, motor läuft. und jetzt mein problem: immer, wenn wir das blaue kabel anschliessen (dann würde licht etc. funktionieren) an den spannungsregler anschliessen, geht sie aus. ich kann ein bild des kaputten teils reinstellen, bzw. auch von dem kabel, falls meine beschreibung nicht genügt oder fehlerhaft ist. wäre sehr dankbar für tipps, mir geht nämlich echt die lust aus immer nur "unter" der vespa zu liegen. mfg Philip.
Pk 50 elektrik Problem.
-
-
-
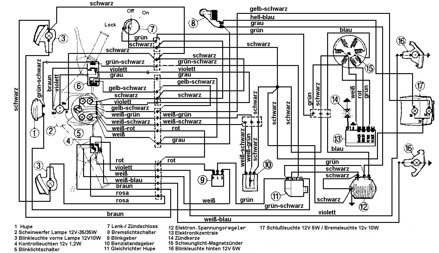
[lexicon='schaltplan',''][/lexicon] habe ich längst, ist alles richtig angeschlossen, hat ein elektriker gemacht. nur das problem ist, wenn es richtig angeschlossen ist (oder auch nur irgendwo) das blaue kabel, geht sie aus. da hilft mir dein [lexicon='schaltplan',''][/lexicon] wenig. gibt es werte, mit denen ich den spannungsregler durchmessen kann?
-
Du die richtige Zündgrundplatte montiert hast. Es gibt nämlich am Markt die unterschiedlichsten Teile und wenn Du die falsche eingebaut hast, kann's einfach nicht funktionieren. Ansonsten kann's fast nur noch ein Massefehler sein (durchgescheuertes Kabel, oder falsche Verkabelung - trotz Elektriker).
Beste Grüße,
Automatix -
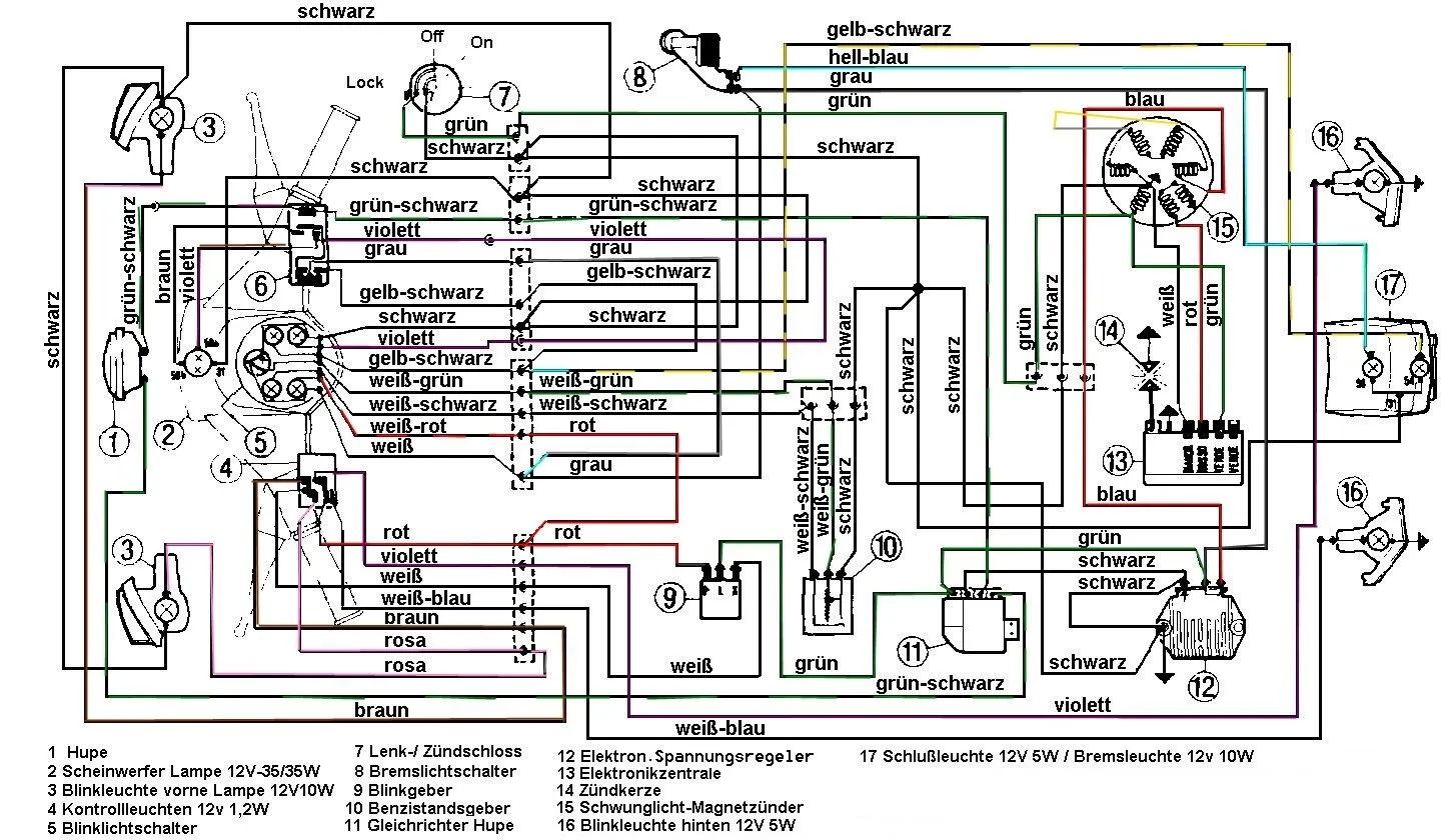
Hi, der [lexicon='Schaltplan',''][/lexicon] ist wirklich niedlich. Hier mal ein ordentlicher, wo man keine Lupe braucht. So, die blaue Leitung liefert den Strom zum Spannungsregeler, wenn Du den anschließt und alles aus geht ist wohl der Spannungsregeler gehimmelt. Entferne mal vom Spannungsregeler alle Kabel, steck dann blau mal auf, Was passiert, wenn der Fehler immer noch vorhanden ist, Spannungsregeler i. A. wenn nicht graues Kabel aufstecken, wenn OK, grünes Kabel aufstecken, Fehler wieder da? dann Hupengleichrichter defekt, alle Kabel am Hupengleichrichter abziehen, und alle Kabel am Spannungsregeler aufstecken.
klaus
-
-
@ automatix: ja zündgrundplatte ist sicher die richtige, ist vom vespa fachhändler für die pk 50 xl2. sieht auch genauso aus wie die alte :). ich werd heut zum händler fahren und den spannungsregler durchmessen lassen. ohne blaues kabel geht sie ja, nur leider ohne licht etc.
-
Wie gings weiter?
Welche Werte muss der Spannungsregler haben ?
Ich finds grad sehr interessant, möchte lernen !!!Danke

-
Wie gings weiter?
Welche Werte muss der Spannungsregler haben ?
Ich finds grad sehr interessant, möchte lernen !!!Das ehrt dich und gepostete Lösungen wären sicher schön. Aber der Thread ist von 2008 und gamml. war 2009 das letzte Mal im Forum online. Also erwarte dir nicht zuviel.

