Mal was nicht ganz Standart.
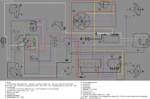
Musste den originalen Kabelbaum PX alt mit Batterie und Blinker umbauen.. Zündschloss in den Rahmen -da lenkkopf Sprint.
hab jetzt 2 verschiedene Schaltpläne .. hängt wohl am Zündschloss...
alles geht..bis auf das hintere Fahrlicht.. Standlicht geht,
sobald ich zündung an, violet auf 12 v geht Fern und Abblendlicht,..nur das hintere -das geht nicht
wo iist der Denkfehler
brauch ich ein kabel vom schalter zum schloss? oder ist die möglichkeit am Schloss strom für das
rücklicht abzunehmen, ohne das es sich beisst?
