Hallo,
ich habe mir das Elektrik Thema von einem guten bekannten angenommen
Es geht um eine Vespa VNB 1T aus dem Jahr 1963 - eine Augsburger
Soll auf 12V umgerüstet werden + Polini Zündung ( neuer Motor kommt wohl rein mit um die 20PS )
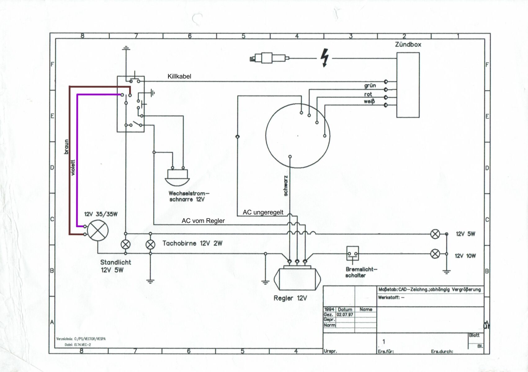
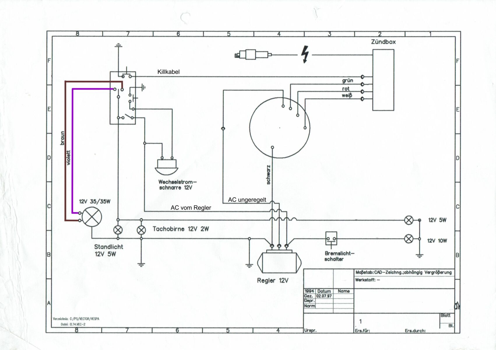
Kabelbaum wurde einer von SIP bestellt der schon recht gut in die Vespa passt - nur kleine Änderungen notwendig
Leider passt der belegungsplan vom Rechten Lenkerschalter nicht wirklich zu dem verbauten schalter
in Google finde ich auch nichts wirklich darüber. Dieses Augsburger Modell ist wohl was spezielles
So meine frage - hat jemand einen passenden belegungsplan und Beschreibung von dem rechten Lenkerschalter ?
Und in dem Kabelbaum sind noch 4 Kabel mit vorgecrimpten ringösen dabei - wo sollen die denn hin ?
Danke im voraus
Gruß Marco
