1. Vespa Forum
    1. Unerledigte Themen
  2. Dashboard
  3. Galerie
    1. Alben
    2. Karte
  4. Lexikon
  • Anmelden
  • Registrieren
  • Suche
Dieses Thema
  • Alles
  • Dieses Thema
  • Dieses Forum
  • Forum
  • Galerie
  • Lexikon
  • Seiten
  • Erweiterte Suche
  1. VespaOnline Forum: Entdecke die Welt der klassischen Vespa-Roller und teile deine Leidenschaft
  2. Vespa Largeframe Roller
  3. Largeframe: Technik und Allgemeines

Lichtschalter belegung Augsburger VNB 1T 1963

  • alteisen63
  • June 3, 2018 at 12:04
  • alteisen63
    Anfänger
    Punkte
    35
    Beiträge
    6
    Vespa Typ
    VNB 1T 63'
    • June 3, 2018 at 12:04
    • #1

    Hallo,

    ich habe mir das Elektrik Thema von einem guten bekannten angenommen

    Es geht um eine Vespa VNB 1T aus dem Jahr 1963 - eine Augsburger

    Soll auf 12V umgerüstet werden + Polini Zündung ( neuer Motor kommt wohl rein mit um die 20PS )

    Kabelbaum wurde einer von SIP bestellt der schon recht gut in die Vespa passt - nur kleine Änderungen notwendig

    Leider passt der belegungsplan vom Rechten Lenkerschalter nicht wirklich zu dem verbauten schalter

    in Google finde ich auch nichts wirklich darüber. Dieses Augsburger Modell ist wohl was spezielles

    So meine frage - hat jemand einen passenden belegungsplan und Beschreibung von dem rechten Lenkerschalter ?

    Und in dem Kabelbaum sind noch 4 Kabel mit vorgecrimpten ringösen dabei - wo sollen die denn hin ?

    Danke im voraus

    Gruß Marco

    Bilder

    • IMG_20180602_104624.jpg
      • 166.49 kB
      • 1,600 × 1,200
    • IMG_20180602_104706.jpg
      • 117.09 kB
      • 1,600 × 1,200
    • IMG_20180602_104726.jpg
      • 107.27 kB
      • 1,600 × 1,200
    • IMG_20180602_104737.jpg
      • 102.14 kB
      • 1,600 × 1,200
    • IMG_20180602_104751.jpg
      • 119.09 kB
      • 1,600 × 1,200
  • dr.sonny
    Profi
    Reaktionen
    168
    Punkte
    6,138
    Trophäen
    1
    Beiträge
    1,188
    • June 3, 2018 at 12:58
    • #2

    Du brauchst normal einen neuen Schalter.

    Den Kabelbaum mit Schalter gibt's normal auch im Set zu kaufen.

    Geht nicht gibt`s nicht!

    Special V 50N 102ccm 19.19 Vergaser
    Px 150 Lusso mit 200er Motor Bj: 86

    Vespa VBB1 Bj 1961mit PX Motor und Parmakit 177ccm

    und ne Zündapp Bella 203 :P

  • alteisen63
    Anfänger
    Punkte
    35
    Beiträge
    6
    Vespa Typ
    VNB 1T 63'
    • June 3, 2018 at 13:39
    • #3

    kannst du mir sagen welchen schalter ?

    den optisch baugleichen schalter gibt es bei SIP - habe ich gefunden

  • dr.sonny
    Profi
    Reaktionen
    168
    Punkte
    6,138
    Trophäen
    1
    Beiträge
    1,188
    • June 3, 2018 at 15:54
    • #4

    Am besten den von conversion. Der sollte passen. Hasst du auch den conversion Kabelbaum?

    Geht nicht gibt`s nicht!

    Special V 50N 102ccm 19.19 Vergaser
    Px 150 Lusso mit 200er Motor Bj: 86

    Vespa VBB1 Bj 1961mit PX Motor und Parmakit 177ccm

    und ne Zündapp Bella 203 :P

  • alteisen63
    Anfänger
    Punkte
    35
    Beiträge
    6
    Vespa Typ
    VNB 1T 63'
    • June 3, 2018 at 21:23
    • #5

    Okay

    Welchen Kabelbaum ich da genau habe kann ich dir nicht sagen - ist auf jeden fall von SIP - mein bekannter hat mit denen telefoniert. Dort wurde gesagt das es keinen direkt 100% passenden kabelbaum für diese VNB gibt. Er schickt aber einen anderen den man nur leicht anpassen muss ( Kabellängen )

    Längen und Belegungen haben auch soweit gepasst bis auf die schalter Belegung und die 4 einzelnen Kabel mit den ringösen

  • dr.sonny
    Profi
    Reaktionen
    168
    Punkte
    6,138
    Trophäen
    1
    Beiträge
    1,188
    • June 3, 2018 at 21:59
    • #6

    An was scheitert es denn genau? Nur an der Belegung oder was anderem

    Geht nicht gibt`s nicht!

    Special V 50N 102ccm 19.19 Vergaser
    Px 150 Lusso mit 200er Motor Bj: 86

    Vespa VBB1 Bj 1961mit PX Motor und Parmakit 177ccm

    und ne Zündapp Bella 203 :P

  • Volker PKXL2
    Moderator
    Reaktionen
    3,200
    Punkte
    31,840
    Trophäen
    3
    Beiträge
    5,707
    Einträge
    1
    Wohnort
    Schleswig-Holstein, Deutschland
    Vespa Typ
    ´76er V125 Spezial; PX 135, Lambretta LD 150
    • June 3, 2018 at 22:11
    • #7

    Labelsucker hat auch eine Augsburg. Vielleicht kann der dir ja helfen.

    Passgenaue Sportsitzbank für PK XL1 und XL2 mit originalem Plastikheck

    Meine 76' er V50 Spezial goes 130 ccm

    " Miss Lilibet ", oder eine heruntergekommene PK 50 Automatik wird frisch gemacht?

  • alteisen63
    Anfänger
    Punkte
    35
    Beiträge
    6
    Vespa Typ
    VNB 1T 63'
    • June 3, 2018 at 23:01
    • #8

    Ja Belegung von dem Originalen schalter oder dem nachbau

    Laut Kabelbelegung würde man mit dem Killschalter die Hupe mit betätigen

  • dr.sonny
    Profi
    Reaktionen
    168
    Punkte
    6,138
    Trophäen
    1
    Beiträge
    1,188
    • June 4, 2018 at 06:30
    • #9

    Richtig, so war es bei der VBB auch.

    Darum anderer Schalter

    Geht nicht gibt`s nicht!

    Special V 50N 102ccm 19.19 Vergaser
    Px 150 Lusso mit 200er Motor Bj: 86

    Vespa VBB1 Bj 1961mit PX Motor und Parmakit 177ccm

    und ne Zündapp Bella 203 :P

  • Pierre Lavendel
    Gast
    • June 4, 2018 at 07:46
    • #10
    Zitat


    Leider passt der belegungsplan vom Rechten Lenkerschalter nicht wirklich zu dem verbauten schalter

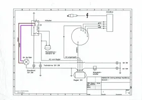
    Hm, der auf dem Bild gezeigte Schalter sollte sich bei einer 12V Wechselstromelektrik verwenden lassen.

    Hier eine Prinzipskizze, wo auch die Schalterfunktion sichtbar ist:


    Solche Kabelbäume baue ich sei längerem selbst, daher die Zeichnung...
    Im Prinzip funktioniert das derartig mit allen elektronischen Zündungen (hier eine PX-Lusso-Ducati)
    Das gezeigte Schaltbild ist die einfachste Variante ohne Batterie, Hupengleichrichter und ohne Blinker.

    Das Kabel mit den vorgecrimpten Ringösen (schlecht gemacht übrigens, nur gequetscht und ohne Zugentlastung) kommt an das Motorkabelkästchen respektive an die CDI-Blackbox am Motor. Wie das angeschlossenen wird steht in der Beschreibung zur Polini Zündung.

    Einmal editiert, zuletzt von Pierre Lavendel (June 4, 2018 at 07:53)

  • alteisen63
    Anfänger
    Punkte
    35
    Beiträge
    6
    Vespa Typ
    VNB 1T 63'
    • June 5, 2018 at 23:11
    • #11

    Welchen von denen würde den am besten passen - falls es einen unterschied macht ?

    Externer Inhalt www.sip-scootershop.com
    Inhalte von externen Seiten werden ohne Ihre Zustimmung nicht automatisch geladen und angezeigt.
    Durch die Aktivierung der externen Inhalte erklären Sie sich damit einverstanden, dass personenbezogene Daten an Drittplattformen übermittelt werden. Mehr Informationen dazu haben wir in unserer Datenschutzerklärung zur Verfügung gestellt.
    ?

    dieser wäre natürlich am liebsten da original Optik

    Externer Inhalt www.sip-scootershop.com
    Inhalte von externen Seiten werden ohne Ihre Zustimmung nicht automatisch geladen und angezeigt.
    Durch die Aktivierung der externen Inhalte erklären Sie sich damit einverstanden, dass personenbezogene Daten an Drittplattformen übermittelt werden. Mehr Informationen dazu haben wir in unserer Datenschutzerklärung zur Verfügung gestellt.

  • Pierre Lavendel
    Gast
    • June 5, 2018 at 23:33
    • #12

    Habe ein Verständnisproblem: Hatte dir erläutertet, daß der verbaute Schalter auf den Bildern korrekt ist und funktioniert, sofern richtig angeschlossen...warum neu kaufen? Fehlt da ne Info?

  • alteisen63
    Anfänger
    Punkte
    35
    Beiträge
    6
    Vespa Typ
    VNB 1T 63'
    • June 6, 2018 at 22:53
    • #13

    Ich weiß nicht welcher schalter was schalten soll / kann

    Und zudem würde der Killschalter die Hupe brücken - da geht ein verbindungsblättchen zwischen dem kleinen schalter links oben und unten rechts

    Laut Belegung ist aber oben links das Kill kabel - schwarz rot und unten rechts weiß die Hupe

  • Pierre Lavendel
    Gast
    • June 6, 2018 at 23:34
    • #14

    Hm, ich will dir nicht zu nahe treten, aber irgendwo scheinst du ein Verständnisproblem zu haben.

    Beide Taster legen den jeweiligen Verbraucher auf Masse. Bei der Schnarre bedeutet dies: Stromkreis geschlossen=Scharre schnarrt. Beim Killtaster bedeutet dies: Zündstrom auf Masse kurzschlossen=Motor geht aus.

    Nochmal: der abgebildete Schalter auf deinen Fotos ist der richtige.

    Einer deiner Links zur SIP Artikelseite zeigt den selben Schalter

    Ich habe dir den Schaltplan gepostet, damit du dich da mal hineinfinden kannst. Auch der Schalter ist dort passend gezeichnet, sodaß man seine Funktion nachvollziehen kann (und ihn einfach nur richtig anschließt)

  1. Datenschutzerklärung
  2. Impressum
  3. Kontakt
  4. Geschichte der Vespa bei Wikipedia
  5. Nutzungsbedingungen
Made with ♥ in Bavaria
Community-Software: WoltLab Suite™