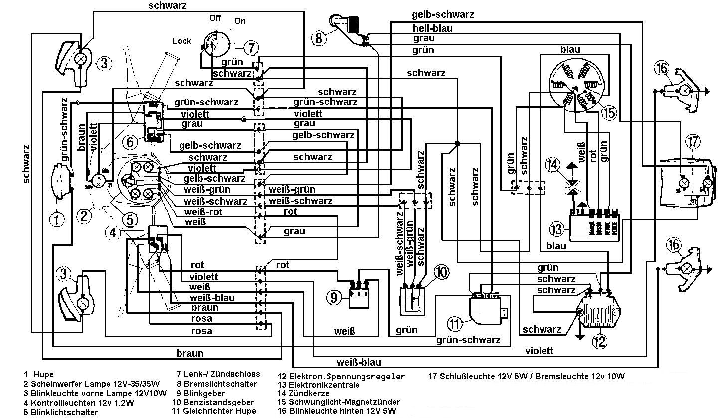
Das Bremslicht an meiner pk 50 xl 2 funktioniert nicht.
Habe die Birne gewechselt und die Fussbremse ausgebaut und den Kontaktschalter überprüft. Habe auch die zwei Kabel an der Fussbremse zusammen-
gesteckt. Leider kein Erfolg. Weiss einer wo die kabel herkommen und wo sie hinführen, damit ich mal messen kann. An der Fussbremse sind die Kabel
nämlich Lila und Grau, am Rücklicht schwarz und Gelb/schwarz. Das Rücklicht brennt dauernd ist das normal oder liegt da der Fehler?
Danke Tobias
