1. Vespa Forum
    1. Unerledigte Themen
  2. Dashboard
  3. Galerie
    1. Alben
    2. Karte
  4. Lexikon
  • Anmelden
  • Registrieren
  • Suche
Dieses Thema
  • Alles
  • Dieses Thema
  • Dieses Forum
  • Forum
  • Galerie
  • Lexikon
  • Seiten
  • Erweiterte Suche
  1. VespaOnline Forum: Entdecke die Welt der klassischen Vespa-Roller und teile deine Leidenschaft
  2. Vespa Smallframe / Largeframe / Wideframe Roller
  3. Vespa Elektrik

Bremslicht funktioniert nicht

  • tobias1981
  • October 19, 2007 at 18:10
  • tobias1981
    Anfänger
    Punkte
    175
    Beiträge
    23
    Wohnort
    Markt Schwaben
    Vespa Typ
    pk 50 xl
    • October 19, 2007 at 18:10
    • #1

    Das Bremslicht an meiner pk 50 xl 2 funktioniert nicht.

    Habe die Birne gewechselt und die Fussbremse ausgebaut und den Kontaktschalter überprüft. Habe auch die zwei Kabel an der Fussbremse zusammen-

    gesteckt. Leider kein Erfolg. Weiss einer wo die kabel herkommen und wo sie hinführen, damit ich mal messen kann. An der Fussbremse sind die Kabel

    nämlich Lila und Grau, am Rücklicht schwarz und Gelb/schwarz. Das Rücklicht brennt dauernd ist das normal oder liegt da der Fehler?


    Danke Tobias

    Einmal editiert, zuletzt von tobias1981 (October 19, 2007 at 18:42)

  • tobias1981
    Anfänger
    Punkte
    175
    Beiträge
    23
    Wohnort
    Markt Schwaben
    Vespa Typ
    pk 50 xl
    • October 19, 2007 at 19:20
    • #2

    Sorry, habe gerade bemerkt, dass das Bremslicht oben sitz und nicht unten. Also brennt das Bremslicht dauernd, auch wenn ich die Kabel an der Fussbremse löse und somit keinen Kontakt habe. Also passt das mit der Verkabelung da das Lila-Kabel von der Fussbremse auf das Bremslicht führt.

  • kasonova
    Foren-Inventar
    Reaktionen
    43
    Punkte
    31,593
    Trophäen
    2
    Beiträge
    6,227
    Bilder
    10
    Einträge
    3
    Wohnort
    Solingen
    Vespa Typ
    Vespa ET2, V50 Spezial, PK 50 XL2
    • October 20, 2007 at 09:38
    • #3

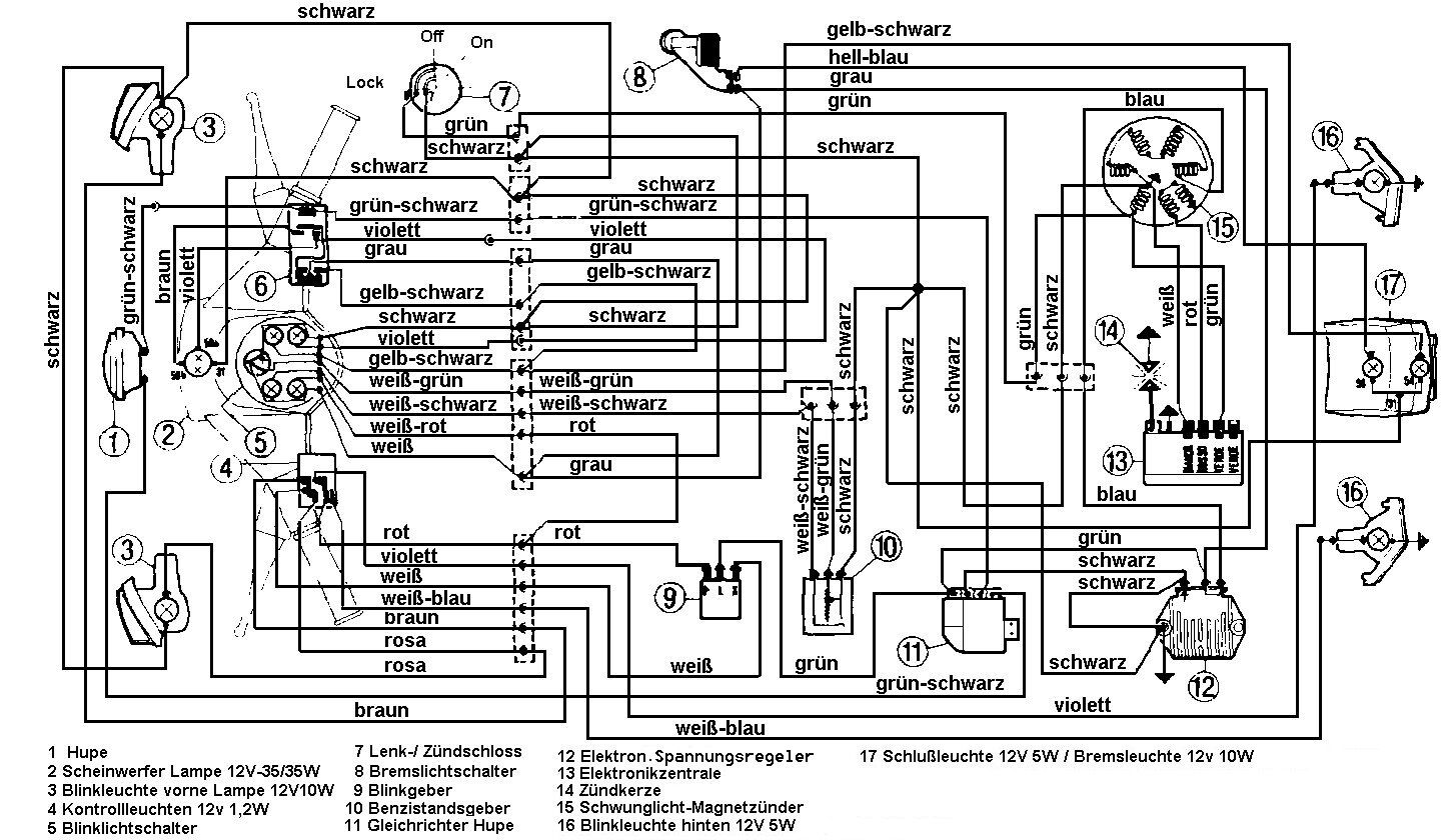
    Hi hier mal der [lexicon='Schaltplan',''][/lexicon]. Aber LILA?????

    klaus

    Bilder

    • Schaltplan.jpg
      • 232.34 kB
      • 1,452 × 840

Ähnliche Themen

  • Hälfte der Lichter leuchtet nicht

    • stirandchill
    • July 9, 2017 at 05:25
    • Smallframe: Technik und Allgemeines
  • Probleme Bremlicht Vespa 50N special BJ 76

    • matzen1990
    • August 17, 2017 at 18:25
    • Smallframe: Technik und Allgemeines
  • Fern- und Abblendlicht geht nicht

    • schieko
    • August 5, 2017 at 13:47
    • Vespa Elektrik
  • Keine TÜV Abnahme

    • moonman
    • June 12, 2017 at 16:10
    • Largeframe: Technik und Allgemeines
  • Anschluss Rücklicht 50 special

    • Linus84
    • June 15, 2017 at 20:59
    • Vespa Elektrik
  • PK 50 XL Bj86 Elektrik Wackelkontakt?

    • Koengener
    • May 9, 2017 at 19:35
    • Vespa Elektrik
  1. Datenschutzerklärung
  2. Impressum
  3. Kontakt
  4. Geschichte der Vespa bei Wikipedia
  5. Nutzungsbedingungen
Made with ♥ in Bavaria
Community-Software: WoltLab Suite™