1. Vespa Forum
    1. Unerledigte Themen
  2. Dashboard
  3. Galerie
    1. Alben
    2. Karte
  4. Lexikon
  • Anmelden
  • Registrieren
  • Suche
Dieses Thema
  • Alles
  • Dieses Thema
  • Dieses Forum
  • Forum
  • Galerie
  • Lexikon
  • Seiten
  • Erweiterte Suche
  1. VespaOnline Forum: Entdecke die Welt der klassischen Vespa-Roller und teile deine Leidenschaft
  2. Vespa Largeframe Roller
  3. LF: Motor | Vergaser | Auspuffanlagen | Tuning

Bastis Quattrini Projekt: Atom "Bilder"

  • Basti_MRC
  • October 13, 2008 at 20:07
  • Likedeeler
    Forenstasi
    Reaktionen
    154
    Punkte
    11,944
    Trophäen
    1
    Beiträge
    2,325
    Bilder
    3
    Wohnort
    Herzogtum Lauenburg
    Vespa Typ
    PX221, GS/3
    Vespa Club
    Vagabunden RC
    • March 6, 2009 at 13:29
    • #541

    Kunststoffhammer.
    Von innen mit nem Fön den Lack anwärmen damit er nicht so schnell reißt...

    Die Geschichte der Seeräuber, auch Likedeeler (Gleichteiler) oder Vitalienbrüder genannt, ist eng mit dem Namen von Klaus Störtebeker verbunden.
    Von ihm wird gesagt, daß er einen Teil der Beute gerecht an arme Leute verteilte (lik deelte).

    The bitterness of poor quality remains long after the sweetness of low price is forgotten.

  • nachbrenner
    Vesparator
    Reaktionen
    9
    Punkte
    16,714
    Trophäen
    1
    Beiträge
    3,096
    Bilder
    44
    Wohnort
    aichach
    Vespa Typ
    Krankes Teil
    • March 6, 2009 at 13:53
    • #542

    Anwärmen richtig,bin davon ausgegangen das der Hobel erst noch gelackt wird.So was macht man ja vor dem lacken.

    Set Up: 221 Malle Döner mit allem.

  • Basti_MRC
    Gast
    • March 6, 2009 at 16:29
    • #543

    wird vorher gmacht!! denn bekommt er ein paar schläge mit dem kunststoffüberzeuger!

    2-)

    edit: kabelbaum und diverse andere teile sind grad eingedrudelt! mir ist schlecht einfach zu viele kabel! 8|

    Einmal editiert, zuletzt von Basti_MRC (March 6, 2009 at 16:36)

  • Graue Düse
    Profi
    Punkte
    3,770
    Trophäen
    1
    Beiträge
    692
    Bilder
    15
    Wohnort
    Timmendorfer Strand
    Vespa Typ
    72er V50 Special, 76er V50 Special
    • March 6, 2009 at 17:27
    • #544
    Zitat von Basti_MRC


    mir ist schlecht einfach zu viele kabel! 8|


    So wild ist das mit der Elektrik nun auch nicht.
    Immerhin hast du einen komplett neuen Kabelbaum, das vereinfacht die Sache um ein vielfaches.Gibt nichts schlimmeres als einen alten vermurksten Kabelbaum wo am besten noch irgendwelche Strippen rangebastelt wurden anzuschließen.

    Power is how fast you hit the Wall, Torque is how far you take the Wall with you

  • Basti_MRC
    Gast
    • March 8, 2009 at 15:52
    • #545

    so nun hab ich mein kabelbum neu isoliert und durch gemessen alles i.o.

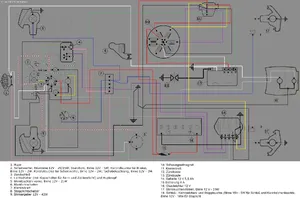
    mein [lexicon='schaltplan',''][/lexicon] stimmt nicht überein mit dem zündschloss!

    hier mal die bilder!

    hat jemand ein guten [lexicon='schaltplan',''][/lexicon] den er hochladen kann !?

    px alt mit batterie

    Bilder

    • CIMG0570.JPG
      • 117.13 kB
      • 1,024 × 768
    • CIMG0574.JPG
      • 80.34 kB
      • 1,024 × 768
    • CIMG0575.JPG
      • 91.98 kB
      • 1,024 × 768
    • CIMG0576.JPG
      • 90.47 kB
      • 1,024 × 768
    • V8X1TmitBatterie.JPG
      • 201.72 kB
      • 1,736 × 1,146
  • Diabolo
    Erleuchteter
    Reaktionen
    3
    Punkte
    21,003
    Trophäen
    1
    Beiträge
    4,177
    Bilder
    1
    Wohnort
    Ruhrpott Randgebiet
    Vespa Typ
    altes Zeug eben, alle mit zwei Rädern, kann mir leider keinen neuen Roller leisten
    • March 8, 2009 at 15:59
    • #546

    Was stimmt an dem [lexicon='Schaltplan',''][/lexicon] nicht? Meinst Du, weil die 2 fehlt, oder hast Du andere Farben im Kabelbaum?

  • Basti_MRC
    Gast
    • March 8, 2009 at 16:05
    • #547

    die zahlen anordnung vom schloss und [lexicon='schaltplan',''][/lexicon] stimmt nicht! !

    ich denk mal dieser teil kommt ans schloss?!

    Bilder

    • CIMG0576.JPG
      • 90.47 kB
      • 1,024 × 768
  • Diabolo
    Erleuchteter
    Reaktionen
    3
    Punkte
    21,003
    Trophäen
    1
    Beiträge
    4,177
    Bilder
    1
    Wohnort
    Ruhrpott Randgebiet
    Vespa Typ
    altes Zeug eben, alle mit zwei Rädern, kann mir leider keinen neuen Roller leisten
    • March 8, 2009 at 21:47
    • #548

    Ich hab ja von Elektrik keine Ahnung, aber das sieht mir eher nach CDI aus.

  • Basti_MRC
    Gast
    • March 8, 2009 at 22:18
    • #549

    und wenn! mir ist es nur wichtig klarheit zu bekommen!

  • Graue Düse
    Profi
    Punkte
    3,770
    Trophäen
    1
    Beiträge
    692
    Bilder
    15
    Wohnort
    Timmendorfer Strand
    Vespa Typ
    72er V50 Special, 76er V50 Special
    • March 9, 2009 at 07:51
    • #550
    Zitat von Basti_MRC


    ich denk mal dieser teil kommt ans schloss?!

    Kommt an den Gleichrichter wenn ich die Kabelfarben auf deinem Foto richtig erkenne.

    2 x Lila
    1 x Gelb
    1 x Weiß
    1 x Schwarz mit 1 x Ringöse für Masse am Gleichrichter und 1 x Ringöse Karosserie

    Power is how fast you hit the Wall, Torque is how far you take the Wall with you

  • Diabolo
    Erleuchteter
    Reaktionen
    3
    Punkte
    21,003
    Trophäen
    1
    Beiträge
    4,177
    Bilder
    1
    Wohnort
    Ruhrpott Randgebiet
    Vespa Typ
    altes Zeug eben, alle mit zwei Rädern, kann mir leider keinen neuen Roller leisten
    • March 9, 2009 at 08:02
    • #551

    Du hast Recht, hab da echt Grün gesehen, stimmt aber nicht. Ist das Stück am Gleichrichter.

  • Basti_MRC
    Gast
    • March 10, 2009 at 18:55
    • #552

    so kleines update! der rahmen ist mit 600 nass geschliffen wird nun diese woche lackiert(endlich)!
    die sendungs bestätigungs email von sip war heut im briefkasten bei aol(teurer spass)


    warum fehlt in der einen gabel ein stück? froehlich-)

    und der neue drop ist da! olè

    Bilder

    • CIMG0579.JPG
      • 67.69 kB
      • 768 × 1,024
    • CIMG0582.JPG
      • 76.77 kB
      • 1,024 × 768
    • CIMG0583.JPG
      • 89.65 kB
      • 1,024 × 768
  • TombRaider
    Profi
    Reaktionen
    3
    Punkte
    4,183
    Trophäen
    1
    Beiträge
    581
    Bilder
    50
    Wohnort
    Eschweiler(Aachen)
    Vespa Typ
    Vespa 50 N (Bj 73) , PX 125 E LUSSO (1992)
    • March 10, 2009 at 20:00
    • #553

    Sieht gut aus......wie hast du die Abdeckung des Drop den jetzt hin bekommen??????

    REAL MAN.....KICK THEIR SCOOTERS

  • Basti_MRC
    Gast
    • March 10, 2009 at 20:04
    • #554

    garnicht! in anderer drop der von B-N-O`s garage nachgearbeitet wurde! also mal wieder höchste qualität

  • dark_vespa
    muffi_darky
    Reaktionen
    50
    Punkte
    28,720
    Trophäen
    2
    Beiträge
    5,574
    Bilder
    18
    Einträge
    1
    Wohnort
    Würzburg
    Vespa Typ
    Kleinblechverstümmler
    • March 11, 2009 at 01:14
    • #555

    Haste die Gabel gebraucht gekauft? Sieht mir aus als wäre die auf V50 gekürzt

    ESC # 582

  • Basti_MRC
    Gast
    • March 11, 2009 at 05:16
    • #556

    wurde absichtlich für ein pk dämpfer gekürzt! es fehlen 3,5cm

  • Pornstar
    Ten Inch Terror
    Reaktionen
    634
    Punkte
    18,024
    Trophäen
    2
    Beiträge
    3,469
    Einträge
    1
    Wohnort
    Hamburg
    Vespa Typ
    PX230, T4, PX 200 Rost, Ten Inch Terror, The Stray Bullet
    • March 11, 2009 at 07:50
    • #557
    Zitat von Basti_MRC

    wurde absichtlich für ein pk dämpfer gekürzt! es fehlen 3,5cm

    Das hat der Basti fein gemacht!
    :)

    Lieber zwei Damen im Arm, als zwei Arme im Darm.

  • Basti_MRC
    Gast
    • March 11, 2009 at 19:18
    • #558

    war ich nicht war der B-N-O der hat das aber wirklich sehr schön gemacht!

  • sain
    Profi
    Reaktionen
    4
    Punkte
    7,114
    Trophäen
    1
    Beiträge
    1,255
    Bilder
    38
    Wohnort
    Düren
    Vespa Typ
    px139 lusso
    • March 11, 2009 at 19:26
    • #559

    wo gemacht? bei dem ausm gsf? was haste gelöht?

    greetz sain

    "Shes my life, shes so bad Shes the best ride I ever had" :love::love:

  • Basti_MRC
    Gast
    • March 11, 2009 at 19:28
    • #560

    nee das hat der Benno gemacht! hier der link:

    freundschaftspreis! :rolleyes:

Tags

  • Vespa Largeframe
  • Quattrini
  1. Datenschutzerklärung
  2. Impressum
  3. Kontakt
  4. Geschichte der Vespa bei Wikipedia
  5. Nutzungsbedingungen
Made with ♥ in Bavaria
Community-Software: WoltLab Suite™