Kunststoffhammer.
Von innen mit nem Fön den Lack anwärmen damit er nicht so schnell reißt...
Bastis Quattrini Projekt: Atom "Bilder"
-
Basti_MRC -
October 13, 2008 at 20:07
-
-
Anwärmen richtig,bin davon ausgegangen das der Hobel erst noch gelackt wird.So was macht man ja vor dem lacken.
-
wird vorher gmacht!! denn bekommt er ein paar schläge mit dem kunststoffüberzeuger!

edit: kabelbaum und diverse andere teile sind grad eingedrudelt! mir ist schlecht einfach zu viele kabel!

-
mir ist schlecht einfach zu viele kabel!
So wild ist das mit der Elektrik nun auch nicht.
Immerhin hast du einen komplett neuen Kabelbaum, das vereinfacht die Sache um ein vielfaches.Gibt nichts schlimmeres als einen alten vermurksten Kabelbaum wo am besten noch irgendwelche Strippen rangebastelt wurden anzuschließen. -
so nun hab ich mein kabelbum neu isoliert und durch gemessen alles i.o.
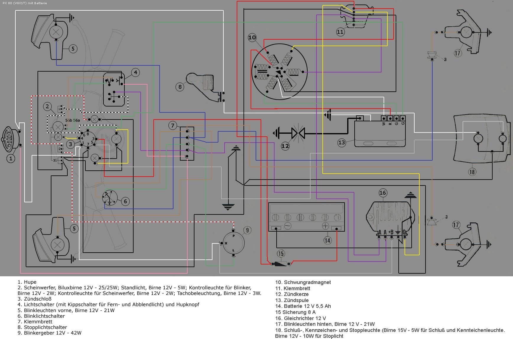
mein schaltplan stimmt nicht überein mit dem zündschloss!
hier mal die bilder!
hat jemand ein guten schaltplan den er hochladen kann !?
px alt mit batterie
-
Was stimmt an dem Schaltplan nicht? Meinst Du, weil die 2 fehlt, oder hast Du andere Farben im Kabelbaum?
-
die zahlen anordnung vom schloss und schaltplan stimmt nicht! !
ich denk mal dieser teil kommt ans schloss?!
-
Ich hab ja von Elektrik keine Ahnung, aber das sieht mir eher nach CDI aus.
-
und wenn! mir ist es nur wichtig klarheit zu bekommen!
-
ich denk mal dieser teil kommt ans schloss?!Kommt an den Gleichrichter wenn ich die Kabelfarben auf deinem Foto richtig erkenne.
2 x Lila
1 x Gelb
1 x Weiß
1 x Schwarz mit 1 x Ringöse für Masse am Gleichrichter und 1 x Ringöse Karosserie -
Du hast Recht, hab da echt Grün gesehen, stimmt aber nicht. Ist das Stück am Gleichrichter.
-
so kleines update! der rahmen ist mit 600 nass geschliffen wird nun diese woche lackiert(endlich)!
die sendungs bestätigungs email von sip war heut im briefkasten bei aol(teurer spass)warum fehlt in der einen gabel ein stück?

und der neue drop ist da! olè
-
Sieht gut aus......wie hast du die Abdeckung des Drop den jetzt hin bekommen??????
-
garnicht! in anderer drop der von B-N-O`s garage nachgearbeitet wurde! also mal wieder höchste qualität
-
Haste die Gabel gebraucht gekauft? Sieht mir aus als wäre die auf V50 gekürzt
-
wurde absichtlich für ein pk dämpfer gekürzt! es fehlen 3,5cm
-
wurde absichtlich für ein pk dämpfer gekürzt! es fehlen 3,5cm
Das hat der Basti fein gemacht!

-
war ich nicht war der B-N-O der hat das aber wirklich sehr schön gemacht!
-
wo gemacht? bei dem ausm gsf? was haste gelöht?
greetz sain
-
nee das hat der Benno gemacht! hier der link:
freundschaftspreis!

-