1. Vespa Forum
    1. Unerledigte Themen
  2. Dashboard
  3. Galerie
    1. Alben
    2. Karte
  4. Lexikon
  • Anmelden oder registrieren
  • Suche
Dieses Thema
  • Alles
  • Dieses Thema
  • Dieses Forum
  • Forum
  • Galerie
  • Lexikon
  • Seiten
  • Erweiterte Suche
  1. VespaOnline Forum: Entdecke die Welt der klassischen Vespa-Roller und teile deine Leidenschaft
  2. Vespa Smallframe / Largeframe / Wideframe Roller
  3. Vespa Elektrik

Vepa P200E kein Zündfunke , Zündschloss defekt?

  • Bedahesi
  • July 30, 2023 at 11:44
  • Bedahesi
    Anfänger
    Punkte
    140
    Beiträge
    24
    Wohnort
    Kraichtal
    Vespa Typ
    Vespa P200E
    • July 30, 2023 at 11:44
    • #1

    Hallo zusammen,

    ich habe mir einen alten Roller P200 E gekauft der 20 Jahre herum gestanden ist. Ich habe den Roller zum laufen gebracht, das Zündschloss hackelte und irgendwann hat sich der Roller nicht mehr ausschalten lassen. Er hatte bei Überprüfung auf allen drei Stellungen des Schlüssels einen Zündfunken. Nach einigem mal hin und herdrehen des Schlüssels ging der Roller nicht mehr an. Irgendwann stellte ich fest das der Zündfunken bei keiner der drei Stellungen mehr einen Zündfunken hatte. Nun weiß ich nicht mehr weiter, hat jemand eine Idee die mir hilft zum weiterarbeiten?

    Der Roller lief zu Beginn nach 20 Jahren echt super , bis dann halt der Zündfunken weg war. Eine Batterie hatt ich nicht verbaut, ob Blinker usw gehen hatte ich nicht geprüft. Wo ist bei dem Roller eigentlich die Hupeknopf, rechts ist nur der Starterknopf der ist auch wackelig als ob er keine Funktion mehr hat.

    Vielen Dank im voraus für euere Infos

    Gruß Bernd

  • 125vnb6
    Meister
    Reaktionen
    1,843
    Punkte
    13,708
    Trophäen
    2
    Beiträge
    2,358
    Einträge
    1
    Wohnort
    81241 München, Deutschland
    Vespa Typ
    VNB1,6,50S,Primavera ET3, PK50,PK50S,PX200E, Chetak 150, NSU Quickly. Lambretta J125, Ciao SC, 2*Vjatka, VN2T
    • July 30, 2023 at 12:31
    • #2

    Welches Modell hast du denn genau? (Baujahr und genaue Modellbezeichnung)

    Wenn die Bezeichnung P200E richtig ist, sollte es eigentlich eine PX alt sein.

    Zündschloss am Lenker?

    Anlasser gab es erst ab den Modellen PX Lusso !

    Daher ist der rechte Knopf mit ziemlicher Sicherheit eher der Hupenknopf!

    Ob du eine Batterie verbaut hast oder eben nicht, ist vollkommen unerheblich ;) !

    Viel wichtiger ist, ob deine PX ein Modell mit oder ohne Batterie ist.

    Ich gehe mal aufgrund deiner Schilderung davon aus, dass dein Zündschloss einen Defekt hat.

  • Volker PKXL2
    Moderator
    Reaktionen
    3,205
    Punkte
    31,838
    Trophäen
    3
    Beiträge
    5,706
    Einträge
    1
    Wohnort
    Schleswig-Holstein, Deutschland
    Vespa Typ
    ´76er V125 Spezial; PX 135, Lambretta LD 150
    • July 30, 2023 at 13:26
    • #3

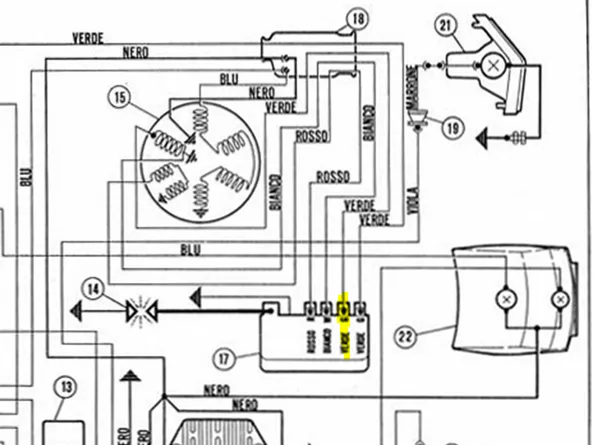
    Auch könnte das grüne Kabel, das vom Zündschloss nach hinten an die CDI geht und die Zündung bei Stellung OFF auf Masse, also aus schaltet, defekt sein.

    Insgesamt wirst du deine PX Whatever nicht mal eben wieder ans zuverlässige Laufen bekommen. Da wird noch mehr defekt, bzw. überholungswürdig sein. Das ist nach der langen Standzeit leider immer so.

    Passgenaue Sportsitzbank für PK XL1 und XL2 mit originalem Plastikheck

    Meine 76' er V50 Spezial goes 130 ccm

    " Miss Lilibet ", oder eine heruntergekommene PK 50 Automatik wird frisch gemacht?

  • Anwil
    Gast
    • July 30, 2023 at 13:31
    • #4

    Hallo Bedahesi,

    Du müsstest das probieren können, ob es am Zündschloss liegt. Zieh an der Elektronikzentrale / Zündspule das grüne Kabel (Killkontakt zum Zündschloss, VERDE) ab, wenn sie dann läuft, ist es das Schloss

    Wenn man die Zündung abstellt, wird grün auf Masse gelegt

  • 125vnb6
    Meister
    Reaktionen
    1,843
    Punkte
    13,708
    Trophäen
    2
    Beiträge
    2,358
    Einträge
    1
    Wohnort
    81241 München, Deutschland
    Vespa Typ
    VNB1,6,50S,Primavera ET3, PK50,PK50S,PX200E, Chetak 150, NSU Quickly. Lambretta J125, Ciao SC, 2*Vjatka, VN2T
    • July 30, 2023 at 13:38
    • #5

    Das was du ihm eingezeichnet hast, ist das falsche Kabel!

    Da hat er mit ziemlicher Sicherheit so gar keinen Funken, denn das kommt von der Zündgrundplatte.

  • Bedahesi
    Anfänger
    Punkte
    140
    Beiträge
    24
    Wohnort
    Kraichtal
    Vespa Typ
    Vespa P200E
    • July 30, 2023 at 13:41
    • #6

    Hallo

    Bezeichnung im Brief lautet, Vespa P200 E

    VSX1T B

    Bj Mai 1983

    BAtterie ist drin natürlich defekt, für was ist die Batterie wenn sie kein Starter hat?

    Es ist nur rechts ein KNopf vorhanden könn te Hupe sein

    Werde morgen mal das mit dem grünen Kabel probieren

  • Bedahesi
    Anfänger
    Punkte
    140
    Beiträge
    24
    Wohnort
    Kraichtal
    Vespa Typ
    Vespa P200E
    • July 30, 2023 at 13:45
    • #7

    Nochmals euch allen Vielen Dank für euere Hilfe, ist echt super so ein Forum

  • 125vnb6
    Meister
    Reaktionen
    1,843
    Punkte
    13,708
    Trophäen
    2
    Beiträge
    2,358
    Einträge
    1
    Wohnort
    81241 München, Deutschland
    Vespa Typ
    VNB1,6,50S,Primavera ET3, PK50,PK50S,PX200E, Chetak 150, NSU Quickly. Lambretta J125, Ciao SC, 2*Vjatka, VN2T
    • July 30, 2023 at 13:51
    • #8

    Du hast einen Batteriekreis welcher Hupe, Blinker (und Kontrollleuchte), Stand- bzw. Parklicht und Bremslicht speist!

    In der Stellung P (Park) leuchtet dann vorne das Stand- bzw. Parklicht und hinten das Rücklicht)

    über den Batteriekreis!

    2 Mal editiert, zuletzt von 125vnb6 (July 30, 2023 at 14:01)

  • 125vnb6
    Meister
    Reaktionen
    1,843
    Punkte
    13,708
    Trophäen
    2
    Beiträge
    2,358
    Einträge
    1
    Wohnort
    81241 München, Deutschland
    Vespa Typ
    VNB1,6,50S,Primavera ET3, PK50,PK50S,PX200E, Chetak 150, NSU Quickly. Lambretta J125, Ciao SC, 2*Vjatka, VN2T
    • July 30, 2023 at 13:53
    • #9

    bezüglich Elektrik eine ganz gute Seite!

    Betrifft genau dein Modell!

    Schaltplan Vespa PX alt | Wespenblech – Vespa Archiv
    Schaltplan Vespa PX alt mit Batterie und Blinker ab 1978. Der Schaltplan Vespa PX alt wurde digital aufgearbeitet.
    wespenblech.square7.ch
  • Bedahesi
    Anfänger
    Punkte
    140
    Beiträge
    24
    Wohnort
    Kraichtal
    Vespa Typ
    Vespa P200E
    • July 30, 2023 at 14:24
    • #10

    das bedeutet bei meiner Vespa funktioniert Blinker, Hupe, Bremslicht nur wenn eine Batterie verbaut ist?

    Bernd

  • Volker PKXL2
    Moderator
    Reaktionen
    3,205
    Punkte
    31,838
    Trophäen
    3
    Beiträge
    5,706
    Einträge
    1
    Wohnort
    Schleswig-Holstein, Deutschland
    Vespa Typ
    ´76er V125 Spezial; PX 135, Lambretta LD 150
    • July 30, 2023 at 20:25
    • #11

    So ist es.

    Passgenaue Sportsitzbank für PK XL1 und XL2 mit originalem Plastikheck

    Meine 76' er V50 Spezial goes 130 ccm

    " Miss Lilibet ", oder eine heruntergekommene PK 50 Automatik wird frisch gemacht?

  • Anwil
    Gast
    • July 30, 2023 at 23:04
    • #12

    Au verflucht!

    125vnb6 hat natürlich recht, es ist das andere grüne Kabel (außen), das zum Zündschloss führt. Scusi

  • Vespa_Veteran
    Schüler
    Reaktionen
    36
    Punkte
    336
    Beiträge
    40
    Bilder
    5
    • July 31, 2023 at 11:09
    • #13

    Hallo Bernd,

    ich fahre auch eine P200E (Erstzulassung Jan.82). Bei mir war das Killkabel (das Grüne) gebrochen und die Kabel, die mit der Zündgrundplatte verbunden sind waren alle am Ende.

    Du solltest unbedingt mal alles durchchecken. Mich hat meine Wespe (2015) mit einem Kolbenfresser abgeworfen - war nicht so schön. Danach habe ich alles erneuert.

    Beste Grüße

    Norbert

  • VESPA PX200 MIcha
    Schüler
    Reaktionen
    5
    Punkte
    440
    Beiträge
    43
    Bilder
    10
    Vespa Typ
    PX200 E Lusso Baujahr 1984
    • July 31, 2023 at 11:33
    • #14
    Zitat von Bedahesi

    Ich habe den Roller zum laufen gebracht, das Zündschloss hackelte und irgendwann hat sich der Roller nicht mehr ausschalten lassen.

    wie die Kollegen schon schreiben...

    ( der äussere Draht am CDI entscheidet, ob der Motor angeht,.. oder ob er überhaupt wieder aus geht)..

    beim Masse-Schluss, geht er nicht mehr aus..

    bei meiner PX200E lasse (ohne Batterie) sah es leider so ähnlich aus, wie bei Vespa_Veteran

    Du musst dann wahrscheinlich den kompletten Kabelbaum tauschen...

    für einen "Motor-Test" (auf die Gefahr, dass du Ihn nicht mehr aus bekommst,.. ausser mit "Abwürgen", Zündkerze abziehen (Achtung!! Hochspannung),.. oder einfach Masse Draht auf rechte grüne CDI Klemme..

    => würde nur der kleine Teil "zum Test!" reichen..

    der kleine Kabelbaum!.. (Farben und Vespa Ausführung vorher testen!)

    Quelle: https://kabel-schute.de/index.php?cPath=6

  • 125vnb6
    Meister
    Reaktionen
    1,843
    Punkte
    13,708
    Trophäen
    2
    Beiträge
    2,358
    Einträge
    1
    Wohnort
    81241 München, Deutschland
    Vespa Typ
    VNB1,6,50S,Primavera ET3, PK50,PK50S,PX200E, Chetak 150, NSU Quickly. Lambretta J125, Ciao SC, 2*Vjatka, VN2T
    • July 31, 2023 at 14:11
    • #15
    Zitat von VESPA PX200 MIcha

    ( der äussere Draht am CDI entscheidet, ob der Motor angeht,.. oder ob er überhaupt wieder aus geht)..

    beim Masse-Schluss, geht er nicht mehr aus..

    Nein!

    Die beiden Steckplätze für das grüne Kabel an der CDI können willkürlich gesteckt bzw. gewählt werden.

    Entscheidend ist, dass man das Kabel abzieht welches in einem bis zum Zündschloss geführt wird.

    Und wenn er auf Masse liegt, dann geht der Motor nicht mehr an!

  • VESPA PX200 MIcha
    Schüler
    Reaktionen
    5
    Punkte
    440
    Beiträge
    43
    Bilder
    10
    Vespa Typ
    PX200 E Lusso Baujahr 1984
    • July 31, 2023 at 14:23
    • #16
    Zitat von 125vnb6

    Nein!

    Die beiden Steckplätze für das grüne Kabel an der CDI können willkürlich gesteckt bzw. gewählt werden.

    ich habe ja nicht behauptet.. dass es "anders rum gesteckt "nicht auch funktioniert.. (Spule 5 erzeugt ja die "Hilfsspanung" alleine nur für das CDI)

    aber gehen wir mal davon aus, dass der Fragende das so gesteckt hat, (weil so ab Werk) wie der Schaltplan ist...

    dann ist der äussere Draht das Zündschloss... der ist "als Öffner" verdrahtet..

    also, wenn abgezogen (keine Masse) und der Motor würde laufen, wenn er einmal an ist..

    es sollte nur erklären, warum er den "Effekt erlebt" hat...

  • Bedahesi
    Anfänger
    Punkte
    140
    Beiträge
    24
    Wohnort
    Kraichtal
    Vespa Typ
    Vespa P200E
    • July 31, 2023 at 20:18
    • #17

    Hallo Norbert

    habe heute die Kabel verfolgt und das Kabelkästchen aufgemacht. Sämtliche Kabel sind gebrochen im Kabelkästchen sowie die die vom Polrad kommen usw. das das Teil überhaupt gelaufen ist verstehe ich nicht. Muss unbedingt eine Kabelbaum kaufen. Nun habe ich eine Bitte kann mir jemand ein Bild einstellen vom geöfneten Kabelkästchen und der Zündspule wie die Kabel zusammengesteckt sind auch in Richtung Zündschloß. Bei mir sind diese teilweise auseinander auch die Farben kann man schlecht erkennen und mit Schaltplänen bin ich nicht so fit, damit ich die Kabel richtig verbinden kann-

    Gruß Bernd

  • tonitest
    Meister
    Reaktionen
    2,169
    Punkte
    13,859
    Trophäen
    2
    Beiträge
    2,324
    Einträge
    1
    Wohnort
    Domkloster 4, 50667 Köln, Deutschland
    Vespa Typ
    PK 50 XL2, BJ 1991
    • July 31, 2023 at 20:45
    • #18
    Zitat von Bedahesi

    Hallo Norbert

    habe heute die Kabel verfolgt und das Kabelkästchen aufgemacht. Sämtliche Kabel sind gebrochen im Kabelkästchen sowie die die vom Polrad kommen usw. das das Teil überhaupt gelaufen ist verstehe ich nicht. Muss unbedingt eine Kabelbaum kaufen. Nun habe ich eine Bitte kann mir jemand ein Bild einstellen vom geöfneten Kabelkästchen und der Zündspule wie die Kabel zusammengesteckt sind auch in Richtung Zündschloß. Bei mir sind diese teilweise auseinander auch die Farben kann man schlecht erkennen und mit Schaltplänen bin ich nicht so fit, damit ich die Kabel richtig verbinden kann-

    Gruß Bernd

    Ist doch alles in dem oben verlinkten Artikel vom Wespenblech gut, in Details und mit Fotos erklärt.

    Hast Du den Artikel gelesen?

  • Vespa_Veteran
    Schüler
    Reaktionen
    36
    Punkte
    336
    Beiträge
    40
    Bilder
    5
    • August 1, 2023 at 07:31
    • #19

    Hallo Bernd,

    ich habe noch ein Foto von der Verkabelung des Zündschlosses - noch mit dem defekten Killkabel. Ich durchforste aber noch mein Archiv.

  • Vespa_Veteran
    Schüler
    Reaktionen
    36
    Punkte
    336
    Beiträge
    40
    Bilder
    5
    • August 1, 2023 at 07:48
    • #20

    Hallo Bernd, das Foto habe ich noch gefunden - vor der Erneuerung der Kabel.

Ähnliche Themen

  • Was braucht es für einen Zündfunken?

    • neptuen
    • October 9, 2020 at 17:01
    • Largeframe: Technik und Allgemeines
  • Vespa PK 50 S VA51T Batterie angeklemmt, Kurzschluss!!! Katastrophe

    • saschadr400
    • February 25, 2019 at 20:39
    • Vespa Elektrik
  • Cosa BJ 1995 hat kein Zündfunke

    • Cosa Goffy
    • April 11, 2012 at 08:59
    • Largeframe: Technik und Allgemeines

Tags

  • Zündschloss
  • kein Zündfunke
  • defektes Zündschloss
  1. Datenschutzerklärung
  2. Impressum
  3. Kontakt
  4. Geschichte der Vespa bei Wikipedia
  5. Nutzungsbedingungen
Made with ♥ in Bavaria
Community-Software: WoltLab Suite™