Wenn, dann wäre es eine PX 80 Lusso gewesen und keine PK.
kFkA: Kurze Fragen, Kurze Antworten!
-
-
Der Motor alleine wäre schon 250€ wert gewesen ...
-
Und am Ende wäre das wieder so eine typische Forumsgeschichte:
"Hab die für ne Kiste Bier vom Schrott und noch nen Hunni reingesteckt und da fuhr se wieder!"
Hört man ja ständig..."ach hier fürn Zehner bekommen"..."gabs umsonst fürs Aufräumen"..."was?? Ne PK hab ich letztens aus Rentnerhand in Zustandsnote 1+ fürn Fuffie bekommen!"Und eigentlich steckt da nen Viertelliger Betrag drin und für die Kiste Bier gabs die auch nicht!

Also, white_pride_corsa, lass dich nich natzen!

-
CARDOC2001 : Also meinst du es Lohnt sich trotzdem sie zu kaufen? (Einzelteile weiter verkaufen ect.) Sollen wohl 2 Motoren bei sein. Wenn es Lohnenswert ist klemme ich mich mal dahinter....
-
Das lohnt sich immer !!! Wenn das meine Ecke wäre, würde ich die Sachen nehmen ...
-
Kaufen kaufen kaufen ...
-
Ich habe hier nen PK XL Motor gekauft. Da ist ein Zylinder der Marke Top Performance drauf. Kann mir da jemand ein paar Informationen zu geben? Habe da nicht wirklich viel über die Suche gefunden. Ist das Teil selten?
-

Ist er lila farben ? Dann ist er schon recht selten war mal der leistungsstärkste Zylinder für die kleinen Motoren , hatte 78ccm ! Hab noch so einen nagel neu liegen , leider fehlt ein Kolbenring ... Werd mal irgendwann welche machen lassen.
Hier noch ein Foto hab noch ein alten Roller Shop Express Katalog gefunden -
Dann ist er das!
-
Es gibt auch welche in blau ! Aber es zählt ja nicht die Farbe sondern die Qualität und Leistung ...
Und ob es der leistungsstärkste Zylinder für die "kleinen" Motoren ist, bezweifel ich sehr stark
-
Wie lang (5 10 15 20 .. Jahre) hält eine '90er Jahre PX eurer Meinung nach wenn man sie hierzulande Jahr für Jahr von Frühjahr bis Herbst ins Freie stellt (Gehweg) und in der Zeit auch nicht besonders pflegt, sie dann dafür im Winter mal kräftig säubert, überholt und eventuellen Rost behandelt?
-
Na dann würde ich mal sagen da is der Ofen nach aller spätestens 5 Jahren aus.
Italienische Technik mag das deutsche Wetter nicht besonders.
Vespas gehören nicht auf nen Bürgersteig.
-
Wenn du den Rost immer behandelst, sehe ich kein Problem einer jahrzehntelangen Fahrzeit. Der Technik ist es rel. egal wo sie steht und gut durchlüftet und manchmal naß ist m.E.n. besser als feuchtwarm in einer Garage.
-
locker. würd ich allemal nehmen
-
Solange du sie Dann nicht draußen vergisst und sie so dann Jahre rumsteht denke ich ist das in ordnung. Bilder von einem Extremfall findet man unter meinem Profil

-
Nene, die würde ja auch (fast) jeden Tag gefahren werden ...

Andere Frage: Hab heute einen V50 Motor ausgebaut und zwischen Kupplungszug(außen)hülle und der Einstellschraube war eine Feder (total kaputt!). Gehört die da hin?
-
Nein die gehört da nicht hin.
-
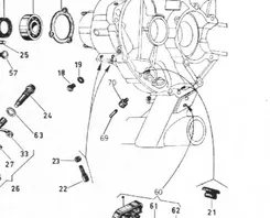
Frage: Welche Teile sind Nr. 69 und 70 ? Der Teileplan ist von einer V50 Special (V5B3T). Ich kenn das nicht und kann's nicht identifizieren ... Es ist als "switch pin" bezeichnet, also ein Splint oder Nadel?
Mein V50R/L/N Teilekatalog führt diese beiden Teile nicht an ...
Zum Vergleich der Ausschnitt für die V50R/L/N
-
frage: welche teile sind nr. 69 und 70 ? der teileplan ist von einer v50 special (v5b3t). ich kenn das nicht und kann's nicht identifizieren ... es ist als "switch pin" bezeichnet, also ein splint oder nadel?
mein v50r/l/n teilekatalog führt diese beiden teile nicht an ...
zum vergleich der ausschnitt für die v50r/l/n
ich gehe mal davon aus das es sich um den sicherungsstift / bolzen von der schaltgabel / schaltarm handelt
gebe aber kein 100% garantie dafür! -
ich gehe mal davon aus das es sich um den sicherungsstift / bolzen von der schaltgabel / schaltarm handelt
gebe aber kein 100% garantie dafür!scissorsweep schrieb:
frage: welche teile sind nr. 69 und 70 ? der teileplan ist von einer v50 special (v5b3t). ich kenn das nicht und kann's nicht identifizieren ... es ist als "switch pin" bezeichnet, also ein splint oder nadel?mein v50r/l/n teilekatalog führt diese beiden teile nicht an ...
zum vergleich der ausschnitt für die v50r/l/n
ich gehe mal davon aus das es sich um den sicherungsstift / bolzen von der schaltgabel / schaltarm handelt
gebe aber kein 100% garantie dafür!hey, schon mal danke für deine mühe. leider glaube ich, dass es nicht der stift für den schaltarm ist, weil der mit nr. 36 zusätzlich in dem plan eingezeichnet ist.
-